Проблемы с электрикой климатконтроля, систем кондиционирования и отопления
-
Гость
Re: Проблемы с электрикой климатконтроля, систем кондиционирования и отопления
ладно, хорошо....если сгорел передний моторчик, то зад должен работать.......т.к. когда передний перестал но зад то работал....может причина в блоке управления климата???проводку проверили вчера опять, все прозвонили, нигде обрыва нет... "ежик" в норме..... а печка неподвижна.....а всё началось с того, что поменял сгоревший предохранитель обогрева заднего стекла.......обогрев заработал, а печка стала...
-
11piligrim11
- Супермодератор

- Всего сообщений: 7544
- Зарегистрирован: 12.03.2013
- Вод.стаж с: 1995
- Откуда: г.Минск
- Авто: VW Sharan, 1.8 20V Turbo, AWC 2001 г.в. Мешалка
- Возраст: 48
Re: Проблемы с электрикой климатконтроля, систем кондиционирования и отопления
Не забываем входить.
Стоит проверить на всякий случай провода в гофре задней двери, и передних дверях. Мы тут недавно с Артрушей столкнулись с подобной проблемой на галактике. Проводку восстановил, все заработало.
Стоит проверить на всякий случай провода в гофре задней двери, и передних дверях. Мы тут недавно с Артрушей столкнулись с подобной проблемой на галактике. Проводку восстановил, все заработало.
Ни что не радует так, как то, что сделано собственными руками.
11piligrim11
11piligrim11
-
kanol
- Постоялец

- Всего сообщений: 495
- Зарегистрирован: 29.05.2015
- Вод.стаж с: 1985
- Откуда: Ст.Оскол
- Авто: шаран 1.8 Т: AWC: 2001г
- Возраст: 63
Re: Проблемы с электрикой климатконтроля, систем кондиционирования и отопления
Колхозил щетки на передний вентилятор печки. Из за плохого контакта произошел нагрев и щеткодержатель расплавился и коротнул. Был слышен щилчек перегоревшего предохранителя. На те которые вычитал с мануала посмотрел, целые. Подскажите, может мануал с "Гелокси" имеет разницу?
Нашел понятную раскладку- буду искать "виновника"
Нашел понятную раскладку- буду искать "виновника"
-
TALON44
- Специалист

- Всего сообщений: 1147
- Зарегистрирован: 15.02.2014
- Вод.стаж с: 1999
- Откуда: г.Кострома
- Авто: VW Sharan Syncro,1997г.в.,2.8, ААА, VR6, Carat, AT
- Возраст: 53
Re: Проблемы с электрикой климатконтроля, систем кондиционирования и отопления
Искал, искал, да так и не нашел!
Ткните хде взять распиновку Климатроника, на моё авто, хочу всё таки установить датчик температуры за бортом, и что бы она показывалась на экране, а то эти прочерки (--), меня уже достали! 
-
miki996
- Специалист

- Всего сообщений: 1657
- Зарегистрирован: 14.03.2013
- Откуда: Иваново
- Авто: Vw Sharan 2009 1.9L BVK+чиптюнинг. акпп GPE
- Возраст: 60
Re: Проблемы с электрикой климатконтроля, систем кондиционирования и отопления
брямс. держи.
-
днт для талона.pdf- (228.27 КБ) 610 скачиваний
был шарик ADY 1996
-
heriff
- Участник

- Всего сообщений: 105
- Зарегистрирован: 24.04.2016
- Вод.стаж с: 1984
- Откуда: Зеленоград
- Авто: Форд Галакси , 1998 г.в. 2,3 Y5B
- Возраст: 59
Re: Проблемы с электрикой климатконтроля, систем кондиционирования и отопления
что бы не плодить тем спрошу здесь .Не работает нижняя заслонка , диагностика показала что КЗ или обрыв на 145 моторчике .Вопрос= где он расположен на отопителе = видел только два сверху и снизу = а есть ещё или всё.? Есть ли у кого электросхемя блока упр. климатом с моторчиками заслонок
-
TALON44
- Специалист

- Всего сообщений: 1147
- Зарегистрирован: 15.02.2014
- Вод.стаж с: 1999
- Откуда: г.Кострома
- Авто: VW Sharan Syncro,1997г.в.,2.8, ААА, VR6, Carat, AT
- Возраст: 53
Re: Проблемы с электрикой климатконтроля, систем кондиционирования и отопления
По Фордам, сложнее найти...
-
heriff
- Участник

- Всего сообщений: 105
- Зарегистрирован: 24.04.2016
- Вод.стаж с: 1984
- Откуда: Зеленоград
- Авто: Форд Галакси , 1998 г.в. 2,3 Y5B
- Возраст: 59
Re: Проблемы с электрикой климатконтроля, систем кондиционирования и отопления
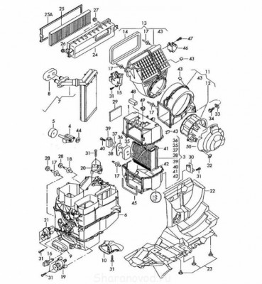
Вот похожая схема моего отопителя .Моторчики под номерами = 19-20 и 21 .У меня нет сигнала на номер 19 .Жгут проводов от него куда идёт ? Сразу на разъём к блоку упр. климатом ? Или ещё куда то ?
Отправлено спустя 1 час 55 секунд:
Вот нашёл , вроде моё = завтра пойду капать жгуты на КЗ , может кому пригодится
Вот нашёл , вроде моё = завтра пойду капать жгуты на КЗ , может кому пригодится
-
heriff
- Участник

- Всего сообщений: 105
- Зарегистрирован: 24.04.2016
- Вод.стаж с: 1984
- Откуда: Зеленоград
- Авто: Форд Галакси , 1998 г.в. 2,3 Y5B
- Возраст: 59
Re: Проблемы с электрикой климатконтроля, систем кондиционирования и отопления
В общем сегодня победил я свою климу .Вкратце = коротыш был в синей колодке на самом блоке , все провода от нижнего моторчика идут туда .Причина интересная = какой то му... к видимо сильно натянул жгуты проводов и один пин немного вылез из гнезда (белого цвета) лёг краешком на соседний синий.Пришлось как сапёру резать = белый или синий = в итоге отгадал . Если кому нужны подробности расскажу по телефону = здесь долго писать = короче КЗ.Всем спасибо за участие .
P\S отдельное спасибо Николаю из под Волоколамска , который дал возможность подставить и моторчик и сам блок для теста и определить роботоспособность моих железок .При подключению ПК выяснилось что на жгуту проводов сидит КЗ . Вот как то так
P\S отдельное спасибо Николаю из под Волоколамска , который дал возможность подставить и моторчик и сам блок для теста и определить роботоспособность моих железок .При подключению ПК выяснилось что на жгуту проводов сидит КЗ . Вот как то так
-
ваня84
- Участник

- Всего сообщений: 92
- Зарегистрирован: 11.02.2015
- Вод.стаж с: 2005
- Откуда: минск
- Авто: seat. Alhambra 1,9 TDI AUY 2001гв
- Возраст: 41
Re: Проблемы с электрикой климатконтроля, систем кондиционирования и отопления
Здравствуйте соклубники. В один момент перестали работать кондиционер и печка. А так же и подсветка трех кнопок. Посмотрел предохранители целые. У меня не климат а обычный кондиционер
-
- Похожие темы
- Ответы
- Просмотры
- Последнее сообщение
-
- 653 Ответы
- 106940 Просмотры
-
Последнее сообщение IlyaVR6
-
- 526 Ответы
- 60370 Просмотры
-
Последнее сообщение vasya
-
- 301 Ответы
- 56307 Просмотры
-
Последнее сообщение 11piligrim11
-
- 33 Ответы
- 13839 Просмотры
-
Последнее сообщение Power
-
- 753 Ответы
- 128388 Просмотры
-
Последнее сообщение Power
Мобильная версия