Неспешный тюнинг

Дневники владельцев VW Sharan, Ford Galaxy, Seat Alhambra, отзывы о машинах, вопросы тех, кто ещё не стал владельцем, но собирается им стать
Soldateg
Специалист
Специалист
Всего сообщений: 1247
Зарегистрирован: 30.11.2018
Откуда: Всеволожск
Авто: Ford Galaxy AUY 2001
 Неспешный тюнинг

Сообщение Soldateg »

Vadomir: 11 ноя 2025, 08:55 Вот я и спрашиваю на какой машине это не так.
На шаране.
Vadomir: 11 ноя 2025, 08:55 мои соображения что это бред
Такой умный, а пол форума засрал несложными вопросами
Реклама
Vadomir
Специалист
Специалист
Всего сообщений: 1670
Зарегистрирован: 12.04.2020
Лучшие Ответы: 2
Вод.стаж с: 2002
Откуда: Таганрог
Авто: Alhambra 2002 ATM. Sharan 2007 BVK
 Неспешный тюнинг

Сообщение Vadomir »

Soldateg: 11 ноя 2025, 09:02На шаране.
а можно год, какой двигатель?

Отправлено спустя 1 минуту 39 секунд:
Soldateg: 11 ноя 2025, 09:02 Такой умный, а пол форума засрал несложными вопросами
а я не боюсь спрашивать и считаю что чем больше я спрашиваю тем больше получаю информации и тем лучше разбираюсь в даной теме, пусть лучше вопрос будет глупым чем его не будет вообще.
Soldateg
Специалист
Специалист
Всего сообщений: 1247
Зарегистрирован: 30.11.2018
Откуда: Всеволожск
Авто: Ford Galaxy AUY 2001
 Неспешный тюнинг

Сообщение Soldateg »

Дело же не стеснении.
Не боится он спрашивать :lol:


Если бы ты ещё читал внимательно и понимал что читаешь. *x)

У Кузьмы, тему которого ты продолжаешь засирать глупостям такой мотор. В профиле посмотри
Vadomir
Специалист
Специалист
Всего сообщений: 1670
Зарегистрирован: 12.04.2020
Лучшие Ответы: 2
Вод.стаж с: 2002
Откуда: Таганрог
Авто: Alhambra 2002 ATM. Sharan 2007 BVK
 Неспешный тюнинг

Сообщение Vadomir »

Вот схема крепления радиатора и радиатора кондея его двигателя конкретно под его мотор. они соединяются вместе а к рамке крепится только основной радиатор
Неспешный тюнинг - {2EC1CC20-48A3-4764-8374-2DC8DD1B8F0D}.jpg
А вот схема крепления кулька конкретно под его мотор. он крепится к рамке самым первым.
Неспешный тюнинг - {CCD0F823-1E93-4B72-9183-9CC88B6128EB}.jpg
Вот у меня и возник вопрос на каком таком авто какие такие криворукие инженеры придумали более низкотемпературный радиатор ставить после высокотемпературного.
Автор темы
macsafe
Специалист
Специалист
Всего сообщений: 1322
Зарегистрирован: 22.05.2014
Вод.стаж с: 2000
Откуда: Москва
Авто: VW Sharan ASZ 2004, кожа на ручке, 160 кобылиц
Возраст: 46
 Неспешный тюнинг

Сообщение macsafe »

Vadomir: 11 ноя 2025, 09:49 крепится к рамке
о какой рамке речь?
Vadomir: 11 ноя 2025, 09:49 возник вопрос на каком таком авто
ничего не понятно

Отправлено спустя 1 минуту 5 секунд:
Vadomir: 11 ноя 2025, 09:49 кулька конкретно под его мотор. он крепится самым первым
Незачет. Смотри схемы еще раз
Даже на твоей картинке на кульке сразу прилеплен радиатор кондея, что заметно по осушителю
Vadomir
Специалист
Специалист
Всего сообщений: 1670
Зарегистрирован: 12.04.2020
Лучшие Ответы: 2
Вод.стаж с: 2002
Откуда: Таганрог
Авто: Alhambra 2002 ATM. Sharan 2007 BVK
 Неспешный тюнинг

Сообщение Vadomir »

macsafe: 11 ноя 2025, 10:05 Незачет. Смотри схемы еще раз
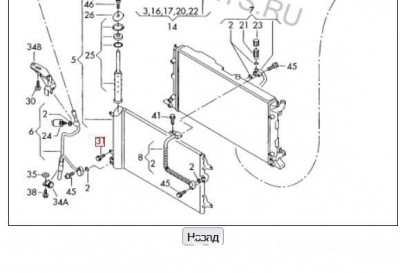
длинна болта крепления радиатора кондея 16 мм. отверстий в кульке нет. есть отверстия только в радиаторе ОЖ. к чему крепится радиатор кондея?
Неспешный тюнинг - {51333B8E-4728-4F68-A1BB-2A8707936CBC}.jpg
Автор темы
macsafe
Специалист
Специалист
Всего сообщений: 1322
Зарегистрирован: 22.05.2014
Вод.стаж с: 2000
Откуда: Москва
Авто: VW Sharan ASZ 2004, кожа на ручке, 160 кобылиц
Возраст: 46
 Неспешный тюнинг

Сообщение macsafe »

Вот пару фото нашел тебе в помощь. Где там радиатор кондея ? :)
Неспешный тюнинг - IMG_20250929_124201.jpg
Неспешный тюнинг - IMG_20250929_124218.jpg
Отправлено спустя 1 минуту 21 секунду:
Vadomir: 11 ноя 2025, 10:12 чему крепится радиатор кондея?
Ровно к тому же, к чему и основной радиатор. Боьышку на бачке кулька видишь? Рядом с рулеткой. Так вот ты не поверишь, но их 4шт :lol:

Отправлено спустя 48 секунд:
Все висит на бачках кулька, а он стоит на опорах

Отправлено спустя 46 секунд:
И ему там совсем хреново между разогретыми основным и кондейным радиатором

Отправлено спустя 1 минуту 29 секунд:
Тут видно 3 их 4х :)
Неспешный тюнинг - IMG_20250929_124135.jpg
Vadomir
Специалист
Специалист
Всего сообщений: 1670
Зарегистрирован: 12.04.2020
Лучшие Ответы: 2
Вод.стаж с: 2002
Откуда: Таганрог
Авто: Alhambra 2002 ATM. Sharan 2007 BVK
 Неспешный тюнинг

Сообщение Vadomir »

*x) Признаю свою неправоту но у кулька же в таком случае летом эффективность падает примерно на треть минимум!!! что курили разрабортчики?

Отправлено спустя 57 секунд:
macsafe: 11 ноя 2025, 10:19 И ему там совсем хреново между разогретыми основным и кондейным радиатором
полностью согласен

Отправлено спустя 6 минут 19 секунд:
https://www.drive2.ru/l/508616213018968822/ вот чел поставил второй кулек на ауди. такая же петрушка с охлаждением впуска.
Автор темы
macsafe
Специалист
Специалист
Всего сообщений: 1322
Зарегистрирован: 22.05.2014
Вод.стаж с: 2000
Откуда: Москва
Авто: VW Sharan ASZ 2004, кожа на ручке, 160 кобылиц
Возраст: 46
 Неспешный тюнинг

Сообщение macsafe »

Vadomir: 11 ноя 2025, 10:30 что курили разрабортчики?
Я думаю у них не было вариантов. Для мощных моторов нужны большие кульки. А куда ставить? Вон в авдотьях пихают в колесные ниши бампера, но пары. Но там им тоже несладко
А засунуть радиатор кондея между кульком и основным - скорее всего будет хреново кондею или надо его радиатор увеличивать
Такую же конструкцию пакета я видел в вольво и ауди. Наверняка много где еще
Vadomir
Специалист
Специалист
Всего сообщений: 1670
Зарегистрирован: 12.04.2020
Лучшие Ответы: 2
Вод.стаж с: 2002
Откуда: Таганрог
Авто: Alhambra 2002 ATM. Sharan 2007 BVK
 Неспешный тюнинг

Сообщение Vadomir »

у нас есть ниша для доп радиатора охлаждения. может туда доп кулек поставить?
macsafe: 11 ноя 2025, 10:43 А засунуть радиатор кондея между кульком и основным - скорее всего будет хреново кондею
не станет. ну сместится немного тепловой баланс. но это даст максимум 10% снижения производительности, ресивер погасит смещение точки равновесия в конденсаторе. но так как конденсатор расчитан с 30% загрязнением то просто почаще продувать его.

Отправлено спустя 1 минуту 37 секунд:
как компенсацию можно будет стравить грамм 30 фреона
Ответить Пред. темаСлед. тема
  • Похожие темы
    Ответы
    Просмотры
    Последнее сообщение
  • FAQ Тюнинг
    11piligrim11 » » в форуме FAQ
    0 Ответы
    33055 Просмотры
    Последнее сообщение 11piligrim11
  • Чип-тюнинг
    Федя » » в форуме Тюнинг электрики, чип-тюнинг
    58 Ответы
    45160 Просмотры
    Последнее сообщение b2santa
  • Тюнинг Шарана
    noviov@gmail.com » » в форуме Тюнинг двигателя
    12 Ответы
    16337 Просмотры
    Последнее сообщение Power
  • Тюнинг решетки радиатора.
    Коняев Алексей » » в форуме Тюнинг
    4 Ответы
    8873 Просмотры
    Последнее сообщение Коняев Алексей
  • Тюнинг тормозной системы ):(
    Aka777 » » в форуме Тюнинг
    145 Ответы
    56616 Просмотры
    Последнее сообщение Hadmig

Вернуться в «Владею Шараном!»