Сигнализатор низкого давления масла
-
31rus
- Постоялец

- Всего сообщений: 466
- Зарегистрирован: 23.12.2017
- Вод.стаж с: 1990
- Откуда: Белгородская область
- Авто: vw sharan 1997 afn
- Возраст: 52
Re: Сигнализатор низкого давления масла
перед тем как менять насос и посмотреть можно....засор,клапан. сам насос ходит очень долго
Не тяжкий труд, а мысли ход, определяют ваш доход!
-
Андрей O
- Наблюдатель

- Всего сообщений: 14
- Зарегистрирован: 30.01.2018
- Вод.стаж с: 2013
- Откуда: Марий Эл
- Авто: VW Sharan 2002 ATM 6MKПП
Re: Сигнализатор низкого давления масла
походу я нашел проблему! датчик давления масла что у фильтра течет по страшному...думал это подтеки из-за резинового кольца на теплообменнике, а оказывается нет
Отправлено спустя 4 минуты 39 секунд:
Отправлено спустя 18 секунд:
Отправлено спустя 4 минуты 39 секунд:
насос в норме снимал его. засоров нет,чистил в прошлый раз
Отправлено спустя 18 секунд:
насос в норме снимал его. засоров нет,чистил в прошлый раз
-
31rus
- Постоялец

- Всего сообщений: 466
- Зарегистрирован: 23.12.2017
- Вод.стаж с: 1990
- Откуда: Белгородская область
- Авто: vw sharan 1997 afn
- Возраст: 52
Re: Сигнализатор низкого давления масла
я не знаю Вашего опыта потому повторю. клапан там есть-под болтиком пружинка с шариком. там возможен засор-заедание.
мотор по 2 капиталки ходит а насос живет
мотор по 2 капиталки ходит а насос живет
Не тяжкий труд, а мысли ход, определяют ваш доход!
-
Андрей O
- Наблюдатель

- Всего сообщений: 14
- Зарегистрирован: 30.01.2018
- Вод.стаж с: 2013
- Откуда: Марий Эл
- Авто: VW Sharan 2002 ATM 6MKПП
Re: Сигнализатор низкого давления масла
Так так по подробнее! какой клапан? я чистил маслозаборник только
-
31rus
- Постоялец

- Всего сообщений: 466
- Зарегистрирован: 23.12.2017
- Вод.стаж с: 1990
- Откуда: Белгородская область
- Авто: vw sharan 1997 afn
- Возраст: 52
Re: Сигнализатор низкого давления масла
в самом корпусе масляного насоса есть болт.его открутите и все увидите
Отправлено спустя 25 секунд:
там пружинка и шарик
Отправлено спустя 25 секунд:
там пружинка и шарик
Не тяжкий труд, а мысли ход, определяют ваш доход!
-
Андрей O
- Наблюдатель

- Всего сообщений: 14
- Зарегистрирован: 30.01.2018
- Вод.стаж с: 2013
- Откуда: Марий Эл
- Авто: VW Sharan 2002 ATM 6MKПП
Re: Сигнализатор низкого давления масла
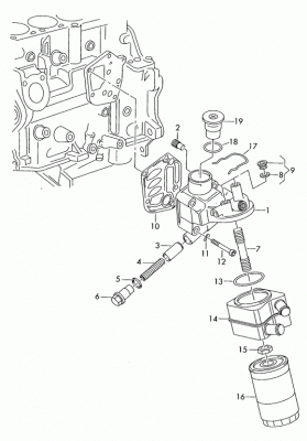
Отправлено спустя 1 минуту 30 секунд: не 9я деталь?
Отправлено спустя 2 минуты 6 секунд:
болт...не сам датчик? ладно гляну завтра
Отправлено спустя 1 минуту 30 секунд: не 9я деталь?
Отправлено спустя 2 минуты 6 секунд:
то есть 6я деталь
-
Power
- Супермодератор

- Всего сообщений: 6455
- Зарегистрирован: 19.06.2012
- Вод.стаж с: 2000
- Откуда: Moscow region, Ramensburg
- Авто: sharaban 98 7M8 ADY DBW GL бубен edition
Re: Сигнализатор низкого давления масла
Меня б это натолкнуло на мысль, что насос как раз не живет.
Ни хрена не починил. Так и езжу.
-
andrey_kmv
- Специалист

- Всего сообщений: 1653
- Зарегистрирован: 15.01.2016
- Вод.стаж с: 1993
- Откуда: Ставропольский край
- Авто: Seat Alhambra, 2006, ATM, МКПП, ГБО BRC
- Возраст: 51
Re: Сигнализатор низкого давления масла
Андрей, на данной картинке охладитель масла, а не масляный насос.
-
Андрей O
- Наблюдатель

- Всего сообщений: 14
- Зарегистрирован: 30.01.2018
- Вод.стаж с: 2013
- Откуда: Марий Эл
- Авто: VW Sharan 2002 ATM 6MKПП
Re: Сигнализатор низкого давления масла
точняяяк,совсем запуталсяandrey_kmv:Андрей, на данной картинке охладитель масла, а не масляный насос.
-
Ставрополь26
Моргает давление масла
Нужна помощь, поменял мотор мигает давление масла после 3000-4000 пищит . давление есть,насос чист,датчики сменил. Мотор1.8т
-
- Похожие темы
- Ответы
- Просмотры
- Последнее сообщение
-
- 4 Ответы
- 4692 Просмотры
-
Последнее сообщение Power
-
- 3 Ответы
- 7975 Просмотры
-
Последнее сообщение 11piligrim11
-
- 136 Ответы
- 56651 Просмотры
-
Последнее сообщение Vadomir
-
- 58 Ответы
- 28555 Просмотры
-
Последнее сообщение andrey_kmv
-
- 80 Ответы
- 27257 Просмотры
-
Последнее сообщение andrey_kmv
Мобильная версия