18 у них
Трубки, патрубки, фланцы и тройники системы охлаждения.
-
Power
- Супермодератор

- Всего сообщений: 6462
- Зарегистрирован: 19.06.2012
- Вод.стаж с: 2000
- Откуда: Moscow region, Ramensburg
- Авто: sharaban 98 7M8 ADY DBW GL бубен edition
-
Slavek10
- Постоялец

- Всего сообщений: 338
- Зарегистрирован: 08.05.2022
- Откуда: Карелия
- Авто: Seat Alhambra, 98,ADY
Трубки, патрубки, фланцы и тройники системы охлаждения.
Попробую,что нить найти по диаметру,мож иномарочное железное..
на газЕль 20 дали..
Попробую,что нить найти по диаметру,мож иномарочное железное..
-
andrey_kmv
- Специалист

- Всего сообщений: 1662
- Зарегистрирован: 15.01.2016
- Вод.стаж с: 1993
- Откуда: Ставропольский край
- Авто: Seat Alhambra, 2006, ATM, МКПП, ГБО BRC
- Возраст: 51
Трубки, патрубки, фланцы и тройники системы охлаждения.
Я, при переделки ГБО, брал латунный тройник на строительном рынке.
-
Slavek10
- Постоялец

- Всего сообщений: 338
- Зарегистрирован: 08.05.2022
- Откуда: Карелия
- Авто: Seat Alhambra, 98,ADY
Трубки, патрубки, фланцы и тройники системы охлаждения.
Что самое интересное ,штатные тоже пишут на 20мм, хотя мерил штангелем на 21мм они.. А наши болтаются..
power уже подсказал выше...andrey_kmv: 21 окт 2024, 07:24Я, при переделки ГБО, брал латунный тройник на строительном рынке.
Screenshot_20241021_072712_com.android.chrome.jpg
Что самое интересное ,штатные тоже пишут на 20мм, хотя мерил штангелем на 21мм они.. А наши болтаются..
-
Vadomir
- Специалист

- Всего сообщений: 1669
- Зарегистрирован: 12.04.2020
- Вод.стаж с: 2002
- Откуда: Таганрог
- Авто: Alhambra 2002 ATM. Sharan 2007 BVK
Трубки, патрубки, фланцы и тройники системы охлаждения.
Доброго всем. Лопнул фланец на АТМ парт 06A 121 132 M это который стоит на ГБЦ со сторы коробки. новый или очень дорого или очень долго. Может кто знает чем заменить можно. полно похожих по посадочному гнезду но с меньшим количеством трубок.
-
Power
- Супермодератор

- Всего сообщений: 6462
- Зарегистрирован: 19.06.2012
- Вод.стаж с: 2000
- Откуда: Moscow region, Ramensburg
- Авто: sharaban 98 7M8 ADY DBW GL бубен edition
Трубки, патрубки, фланцы и тройники системы охлаждения.
Смотри, что есть на AliExpress! Комплект термостата охлаждающей трубы из алюминиевого сплава для Vw Golf Jetta 2,0 L4 99-06 06A 12133d 06A 121 132 Детали двигателя автомобиля за 870 ₽ - уже со скидкой -54%
https://sl.aliexpress.ru/p?key=46iK3Ho
Отправлено спустя 34 секунды:
Люминий, например.
Я на VR6 брал комплект фланцев и термостат, на вид качество просто супер было, хоть оригинальное клеймо ставь. Термостат так себе...
https://sl.aliexpress.ru/p?key=46iK3Ho
Отправлено спустя 34 секунды:
Люминий, например.
Я на VR6 брал комплект фланцев и термостат, на вид качество просто супер было, хоть оригинальное клеймо ставь. Термостат так себе...
Ни хрена не починил. Так и езжу.
-
Vadomir
- Специалист

- Всего сообщений: 1669
- Зарегистрирован: 12.04.2020
- Вод.стаж с: 2002
- Откуда: Таганрог
- Авто: Alhambra 2002 ATM. Sharan 2007 BVK
Трубки, патрубки, фланцы и тройники системы охлаждения.
Вот я тоже на это смотрел. Тут на 1 штуцер меньше чем у меня. Но главное подойдёт ли он на ГБЦ?
-
Power
- Супермодератор

- Всего сообщений: 6462
- Зарегистрирован: 19.06.2012
- Вод.стаж с: 2000
- Откуда: Moscow region, Ramensburg
- Авто: sharaban 98 7M8 ADY DBW GL бубен edition
Трубки, патрубки, фланцы и тройники системы охлаждения.
Ну лотерея конечно, однако уповая на обширную унификацию ваговских деталей, с определенной степенью уверенности можно рискнуть.
А недостающий кусок через какой-нибудь тройник отдельно подпитать.
А недостающий кусок через какой-нибудь тройник отдельно подпитать.
Ни хрена не починил. Так и езжу.
-
Vadomir
- Специалист

- Всего сообщений: 1669
- Зарегистрирован: 12.04.2020
- Вод.стаж с: 2002
- Откуда: Таганрог
- Авто: Alhambra 2002 ATM. Sharan 2007 BVK
Трубки, патрубки, фланцы и тройники системы охлаждения.
С недостающим вообще проблем нет. Это на расширительный бачок патрубок. Заказал самый дешёвый пластиковый с этим парт номером. Если подойдёт то буду люминиевый заказывать.
-
Покраскин
- Всего сообщений: 2
- Зарегистрирован: 14.05.2025
- Откуда: Санкт-петербург
- Авто: Шаран 1999
Трубки, патрубки, фланцы и тройники системы охлаждения.
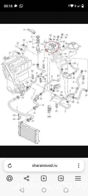
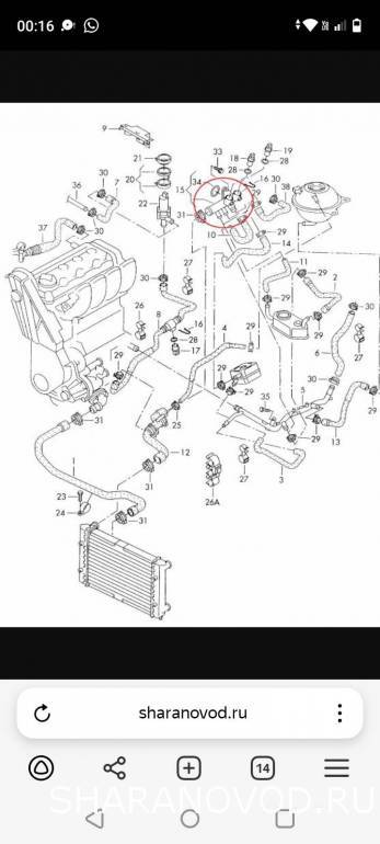
Доброй ночи! Подскажите, где найти такой фланец, на разборках и авто магазинах таких нет.
-
- Похожие темы
- Ответы
- Просмотры
- Последнее сообщение
-
- 36 Ответы
- 33722 Просмотры
-
Последнее сообщение Шахтёр
-
- 364 Ответы
- 168350 Просмотры
-
Последнее сообщение Sharan_avtomat
-
- 191 Ответы
- 90422 Просмотры
-
Последнее сообщение andrey_kmv
-
- 3 Ответы
- 8120 Просмотры
-
Последнее сообщение andrey_kmv
-
- 26 Ответы
- 9406 Просмотры
-
Последнее сообщение Шамиль80
Мобильная версия