клапан отсечки
-
Автор темы31rus
- Постоялец

- Всего сообщений: 466
- Зарегистрирован: 23.12.2017
- Вод.стаж с: 1990
- Откуда: Белгородская область
- Авто: vw sharan 1997 afn
- Возраст: 52
клапан отсечки
Кланан отсечки топлива. это общепринятый термин,иначе может звучать-клапан прекращения подачи и тд. дизель.
висит ошибка по отсечтному клапану 109 кз или обрыв.. ошибка не стирается и машина не едет .вариантов тьма-от механики до электкики. механически клапан цел,работает.электрически-сопля. естественно реального сигнала с 83 контакта эбу на клапан нет КАК побороть аварийный режим?(кроме как замена эбу)
Отправлено спустя 2 минуты 14 секунд:
машина прекрасно заводится,работает и едет до 3000к оборотов......те мотор в аварийном режиме постоянно
висит ошибка по отсечтному клапану 109 кз или обрыв.. ошибка не стирается и машина не едет .вариантов тьма-от механики до электкики. механически клапан цел,работает.электрически-сопля. естественно реального сигнала с 83 контакта эбу на клапан нет КАК побороть аварийный режим?(кроме как замена эбу)
Отправлено спустя 2 минуты 14 секунд:
машина прекрасно заводится,работает и едет до 3000к оборотов......те мотор в аварийном режиме постоянно
-
11piligrim11
- Супермодератор

- Всего сообщений: 7544
- Зарегистрирован: 12.03.2013
- Вод.стаж с: 1995
- Откуда: г.Минск
- Авто: VW Sharan, 1.8 20V Turbo, AWC 2001 г.в. Мешалка
- Возраст: 48
Re: клапан отсечки
Это часто встречающаяся неисправность в AFN. Как с ней бороться я пока ещё не нашёл. Это не с 83 контакта нет сигнала. Это нет питания на ЭБУ. Сопля на клапан, через 83 пин запитывает ЭБУ и все начинает работать. Дольше всего с такой машиной мне дал поковыряться один знакомый. Разобрал все в районе блока электрики, вместо реле питания нашёл перемычку. На ней элехтричество есть. Пока ковырялся, машина стала запускаться как и должна. Что и где я пошевелил не понятно. Собрал все на место... Фиг там. Без сопли заводиться не хочет. Тут хозяин заторопился, счастливый, что его машина вообще заводится, выпрыгнул в неё и укатился. А я так и остался, без понятия, как решается такая проблема.
Ни что не радует так, как то, что сделано собственными руками.
11piligrim11
11piligrim11
-
Автор темы31rus
- Постоялец

- Всего сообщений: 466
- Зарегистрирован: 23.12.2017
- Вод.стаж с: 1990
- Откуда: Белгородская область
- Авто: vw sharan 1997 afn
- Возраст: 52
Re: клапан отсечки
работать то работает но сама ошибка держит мотор в аварийном режиме.больше 25мл не дает топлива. разьем 53 (ошибся).
Не тяжкий труд, а мысли ход, определяют ваш доход!
-
Cateika
- Главный электрик форума

- Всего сообщений: 4040
- Зарегистрирован: 25.03.2013
- Вод.стаж с: 1987
- Откуда: KZ, г.Рудный
- Авто: VW Sharan, 1997, AHU, 1,9 МКПП DBW, VinDisel.
Re: клапан отсечки
Проводку от 53 ЭБУД прозванивал ? Где то по пути к клапану обрыв или закорочено, кроме того обратить внимание на контакт в разъёме ТНВД.
Если пишет постоянную, нестираемую ошибку, то блок отключает питание на клапан. (ЭБУД и так то, в норм. состоянии, отключает питание клапана если нет прокрутки мотора... в пределах 15-20 сек.)
Если пишет постоянную, нестираемую ошибку, то блок отключает питание на клапан. (ЭБУД и так то, в норм. состоянии, отключает питание клапана если нет прокрутки мотора... в пределах 15-20 сек.)
-
Автор темы31rus
- Постоялец

- Всего сообщений: 466
- Зарегистрирован: 23.12.2017
- Вод.стаж с: 1990
- Откуда: Белгородская область
- Авто: vw sharan 1997 afn
- Возраст: 52
Re: клапан отсечки
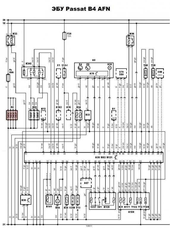
нашел соплю на 53 контакт .рядом с эбу, без сопли питаня нет.про то что до прокрутки стартером питание пропадает знаю,спасибо. нашел свою схему y12-клапан отсечки. где тут покопать,почему с эбу нет сигнала?
Отправлено спустя 8 минут 46 секунд:
r.s. много чего сам могу,но схемы не читаю поэтому прошу помощи.
Отправлено спустя 8 минут 46 секунд:
r.s. много чего сам могу,но схемы не читаю поэтому прошу помощи.
Не тяжкий труд, а мысли ход, определяют ваш доход!
-
11piligrim11
- Супермодератор

- Всего сообщений: 7544
- Зарегистрирован: 12.03.2013
- Вод.стаж с: 1995
- Откуда: г.Минск
- Авто: VW Sharan, 1.8 20V Turbo, AWC 2001 г.в. Мешалка
- Возраст: 48
Re: клапан отсечки
Схема, просто класс.
Резкости нет, нифига не видно. Второй вопрос: а где "легенда" от нее?
Отправлено спустя 24 минуты 49 секунд:
Проверь наличие питания на 38 пине, после включения зажигания. Само собой, со снятой соплей с 53 пина.
Отправлено спустя 5 минут 10 секунд:
И на 47-м пине.
Отправлено спустя 24 минуты 49 секунд:
Проверь наличие питания на 38 пине, после включения зажигания. Само собой, со снятой соплей с 53 пина.
Отправлено спустя 5 минут 10 секунд:
И на 47-м пине.
Ни что не радует так, как то, что сделано собственными руками.
11piligrim11
11piligrim11
-
Cateika
- Главный электрик форума

- Всего сообщений: 4040
- Зарегистрирован: 25.03.2013
- Вод.стаж с: 1987
- Откуда: KZ, г.Рудный
- Авто: VW Sharan, 1997, AHU, 1,9 МКПП DBW, VinDisel.
Re: клапан отсечки
Прозванивать в этих точках. 47 - вообще минусовой, там на ЭБУД напряжения никакого нет. оно будет с клапана турбы...
-
Автор темы31rus
- Постоялец

- Всего сообщений: 466
- Зарегистрирован: 23.12.2017
- Вод.стаж с: 1990
- Откуда: Белгородская область
- Авто: vw sharan 1997 afn
- Возраст: 52
Re: клапан отсечки
Cateika,писал что напряжения нет на 53. в 15см от разьема 53 в черно-белый провод врезана сопля.с этой саплей звонится весь провод от клапана до 53. разьем возле тнвд хороший(все провода,проходя его, звонятся)
клапан турбины работает,через васю делал тест-открывает и закрывает геометрию как положено. до 38 пина не долез пока.его можно позвонить где то пораньше,не именно на 38? проблемно подлезть.
Отправлено спустя 2 минуты 12 секунд:
изначально были 2 ошибки-передув и клапан 109
клапан турбины работает,через васю делал тест-открывает и закрывает геометрию как положено. до 38 пина не долез пока.его можно позвонить где то пораньше,не именно на 38? проблемно подлезть.
Отправлено спустя 2 минуты 12 секунд:
изначально были 2 ошибки-передув и клапан 109
Последний раз редактировалось 31rus 30 дек 2017, 10:39, всего редактировалось 1 раз.
-
11piligrim11
- Супермодератор

- Всего сообщений: 7544
- Зарегистрирован: 12.03.2013
- Вод.стаж с: 1995
- Откуда: г.Минск
- Авто: VW Sharan, 1.8 20V Turbo, AWC 2001 г.в. Мешалка
- Возраст: 48
Re: клапан отсечки
Да, Вадим, я уже посмотрел. Просто посмотрел не в Эльзе сначала а глянул схему из тырнета. Фигня какая-то попалась. Там плюс идёт на 38 пин и 47. Потом глянул в Эльзе, ты совершенно прав. Питание на 38, на 47 минус.
Отправлено спустя 2 минуты 47 секунд:
А чего там проблемного? Сними с ЭБУ разьем, в 38 пин иголку, включил зажигание, на иголке должно появиться +12 вольт.
Отправлено спустя 2 минуты 47 секунд:
А чего там проблемного? Сними с ЭБУ разьем, в 38 пин иголку, включил зажигание, на иголке должно появиться +12 вольт.
Ни что не радует так, как то, что сделано собственными руками.
11piligrim11
11piligrim11
-
Cateika
- Главный электрик форума

- Всего сообщений: 4040
- Зарегистрирован: 25.03.2013
- Вод.стаж с: 1987
- Откуда: KZ, г.Рудный
- Авто: VW Sharan, 1997, AHU, 1,9 МКПП DBW, VinDisel.
Re: клапан отсечки
Легенда = есть расшифровка обозначений на эл.схемах...
...тогда ЭБУД... пятиногая микруха в оконечном каскаде управления клапана N109... (что эта микруха из себя представляет по даташиту = х/з, номера в наличии нету...)
ЗЫ. ... ещё, мог быть вариант с реле аварийного отключения подачи топлива ... (но к названому г/в авто, как то не стыкуется...)
При чём тут моторы...хозявы...
...тогда ЭБУД... пятиногая микруха в оконечном каскаде управления клапана N109... (что эта микруха из себя представляет по даташиту = х/з, номера в наличии нету...)
ЗЫ. ... ещё, мог быть вариант с реле аварийного отключения подачи топлива ... (но к названому г/в авто, как то не стыкуется...)
-
- Похожие темы
- Ответы
- Просмотры
- Последнее сообщение
-
- 13 Ответы
- 5215 Просмотры
-
Последнее сообщение евгенгий
-
- 1 Ответы
- 1451 Просмотры
-
Последнее сообщение promalpinist
-
- 0 Ответы
- 3679 Просмотры
-
Последнее сообщение SoroS
Мобильная версия