Решил поменять АКПП на МКПП
-
35 409 рум
- Всего сообщений: 1
- Зарегистрирован: 13.06.2023
- Откуда: Череповец
- Авто: Ford Galaxy 2.3 МКПП 2001 год
Решил поменять АКПП на МКПП
Привет также беда поставил МКПП и блок управления двигателем тоже от МКПП.а приборка осталась родная.все так же как ты описал обороты задирает и спидометр врёт.надо кодировку приборки попробовать поменять.пока вылечил отключением датчика рхх чуть тупит но обороты не задирает.
-
Anderusk
- Наблюдатель

- Всего сообщений: 15
- Зарегистрирован: 27.10.2021
- Вод.стаж с: 2005
- Откуда: Севастополь
- Авто: Ford Galaxy 1997, 2.3 Y5B
Решил поменять АКПП на МКПП
была как-то изменена кодировка в приборке, в связи с заменой АКПП на МКПП, задумал себе поставить проектор скорости через OBD работающий, обнаружил что в OBD показывает скорость завышенную, ту что показывало ДО перекодировки приборки.
В связи с этим вопрос, откуда берет OBD данные? и где еще надо поменять кодировку чтоб в OBD данные соответсвовали истине и приборке?
В связи с этим вопрос, откуда берет OBD данные? и где еще надо поменять кодировку чтоб в OBD данные соответсвовали истине и приборке?
-
Артем 29
- Наблюдатель

- Всего сообщений: 18
- Зарегистрирован: 22.05.2024
- Вод.стаж с: 1997
- Откуда: Вельск
- Авто: Вольцваген шаран 1998 AFN
Решил поменять АКПП на МКПП
Ребята у меня вопрос. По переделке АКПП на МКП. Куда подключить провод от лягушки сцепления, а то круиз не работает. Подскажите пожалуйста.
-
Vadomir
- Специалист

- Всего сообщений: 1655
- Зарегистрирован: 12.04.2020
- Вод.стаж с: 2002
- Откуда: Таганрог
- Авто: Alhambra 2002 ATM. Sharan 2007 BVK
Решил поменять АКПП на МКПП
Артем 29, последовательно с концевиком на педали тормоза. Только не перепутать, там их два.
-
Артем 29
- Наблюдатель

- Всего сообщений: 18
- Зарегистрирован: 22.05.2024
- Вод.стаж с: 1997
- Откуда: Вельск
- Авто: Вольцваген шаран 1998 AFN
-
Cateika
- Главный электрик форума

- Всего сообщений: 4040
- Зарегистрирован: 25.03.2013
- Вод.стаж с: 1987
- Откуда: KZ, г.Рудный
- Авто: VW Sharan, 1997, AHU, 1,9 МКПП DBW, VinDisel.
Решил поменять АКПП на МКПП
От концевого сцепы, один вывод идёт на массу, другой на ЭБУ двигателя, конкретно на 17 пин...
чё советуешь то...
Тут, есть раздел "Электрические схемы", там прямо на первой странице эл.схемы для AFN/AVG...
От концевого сцепы, один вывод идёт на массу, другой на ЭБУ двигателя, конкретно на 17 пин...
...схему то видел, а ???
-
Артем 29
- Наблюдатель

- Всего сообщений: 18
- Зарегистрирован: 22.05.2024
- Вод.стаж с: 1997
- Откуда: Вельск
- Авто: Вольцваген шаран 1998 AFN
Решил поменять АКПП на МКПП
ЭБУ которое под торпедой, тоесть главное
А сам пин может с какого свободного взять, только от- куда?
Отправлено спустя 18 минут 7 секунд:

А сам пин может с какого свободного взять, только от- куда?
Отправлено спустя 18 минут 7 секунд:
-
Soldateg
- Специалист

- Всего сообщений: 1239
- Зарегистрирован: 30.11.2018
- Откуда: Всеволожск
- Авто: Ford Galaxy AUY 2001
-
Артем 29
- Наблюдатель

- Всего сообщений: 18
- Зарегистрирован: 22.05.2024
- Вод.стаж с: 1997
- Откуда: Вельск
- Авто: Вольцваген шаран 1998 AFN
Решил поменять АКПП на МКПП
Похоже все в деле, если только искать с чего-то другово
Отправлено спустя 2 минуты 57 секунд:
Сатейка, извини что на ты, посмотри 48,34,46
пин, похоже он к автомату.
Отправлено спустя 1 час 49 минут 7 секунд:
Снял мозги с автомата, и взял от туда. Теперь перестал работать стартер. Что сделать?
17 пин на месте
Отправлено спустя 2 минуты 57 секунд:
Сатейка, извини что на ты, посмотри 48,34,46
пин, похоже он к автомату.
Отправлено спустя 1 час 49 минут 7 секунд:
Снял мозги с автомата, и взял от туда. Теперь перестал работать стартер. Что сделать?
17 пин на месте
-
Cateika
- Главный электрик форума

- Всего сообщений: 4040
- Зарегистрирован: 25.03.2013
- Вод.стаж с: 1987
- Откуда: KZ, г.Рудный
- Авто: VW Sharan, 1997, AHU, 1,9 МКПП DBW, VinDisel.
Решил поменять АКПП на МКПП
...
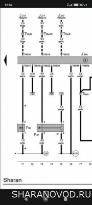
Реле фонарей заднего хода и блокировки стартера ...
Пожалуй, начнём отсюда : Re: Решил поменять АКПП на МКПП (Пост Николай Иванович #17940)
...
... так...опять всё сначала...Артем 29: 23 май 2024, 15:43 Снял мозги с автомата, и взял от туда. Теперь перестал работать стартер. Что сделать?
Реле фонарей заднего хода и блокировки стартера ...
Пожалуй, начнём отсюда : Re: Решил поменять АКПП на МКПП (Пост Николай Иванович #17940)
...
-
- Похожие темы
- Ответы
- Просмотры
- Последнее сообщение
-
- 3 Ответы
- 3494 Просмотры
-
Последнее сообщение miki996
-
- 3 Ответы
- 2938 Просмотры
-
Последнее сообщение HooLiGaN
-
- 20 Ответы
- 9641 Просмотры
-
Последнее сообщение avs620012
-
- 1 Ответы
- 7884 Просмотры
-
Последнее сообщение TorosyanGarri
-
- 2 Ответы
- 5243 Просмотры
-
Последнее сообщение andrey_kmv
Мобильная версия