Глохнет/падают обороты при сбросе на нейтраль (бензин)
-
11piligrim11
- Супермодератор

- Всего сообщений: 7544
- Зарегистрирован: 12.03.2013
- Вод.стаж с: 1995
- Откуда: г.Минск
- Авто: VW Sharan, 1.8 20V Turbo, AWC 2001 г.в. Мешалка
- Возраст: 48
Глохнет/падают обороты при сбросе на нейтраль (бензин)
У тебя дырка во впуске. Это 100%. Вероятнее всего именно за дрссельной заслонкой. То есть именно в коллекторе. Смотри вакуум и усадку форсунок. Возможно какая-то из них без прокладки. Попробуй завести мотор и на холостых внимательно обслушать впускной коллектор. Услышишь, где шипит. Там и дырка.
Отправлено спустя 1 минуту 16 секунд:
Кстати, проверь трубочку на байпаст. С коллектора которая.
Отправлено спустя 1 минуту 16 секунд:
Кстати, проверь трубочку на байпаст. С коллектора которая.
Ни что не радует так, как то, что сделано собственными руками.
11piligrim11
11piligrim11
-
Автор темыkir86
- Наблюдатель

- Всего сообщений: 19
- Зарегистрирован: 29.09.2019
- Вод.стаж с: 2009
- Откуда: бобруйск
- Авто: sharan,2000,7m9,AWC 1.8т
Глохнет/падают обороты при сбросе на нейтраль (бензин)
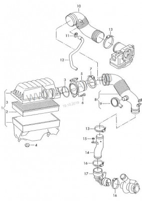
оказалось,что слетел(или порвался,пока не понял)шланг забора воздуха (поз17) 7M3 129 628 C в месте присоединения его к турбине (удивляюсь,как ДМРВ выдавал хоть какие-то показания.Видно только от набегающего потока).Надо бы достать и посмотреть на него. И вот тут вопрос:снимать промвал и лезть снизу или можно отсоединить патрубок от ДМРВ,открутить гайку N90 175 203 (поз15) и достать всю конструкцию целиком? Доступ к гайке проблематичен,поэтому и не хочется просто так ее откручивать,если потом не смогу достать весь подвод воздуха(а ямы пока нет-так что есть время подумать)
И еще: сам шланг 7M3 129 628 C стоит каких-то невменяемых денег(для шланга),а аналогов я не нашел.Есть ли они или может подходят от чего-нибудь другого?
И еще: сам шланг 7M3 129 628 C стоит каких-то невменяемых денег(для шланга),а аналогов я не нашел.Есть ли они или может подходят от чего-нибудь другого?
-
mazuric
- Специалист

- Всего сообщений: 1446
- Зарегистрирован: 19.04.2016
- Вод.стаж с: 1986
- Откуда: Воронеж
- Авто: VW Sharan,2001,1.9TDI,115л/с,AUY,EHH.
- Возраст: 57
Глохнет/падают обороты при сбросе на нейтраль (бензин)
kir86, Поз.17 у меня стоит обычный гнутый резиновый патрубок,хз от какой машины,подбирать просто по диаметру в магазине.
ПС,может не так,двиг то другой...
ПС,может не так,двиг то другой...
абырвалг
-
Vitalijster
- Опытный

- Всего сообщений: 913
- Зарегистрирован: 19.04.2017
- Вод.стаж с: 1994
- Откуда: Vilnius
- Авто: Sharan 2003 1.8Т AWC
- Возраст: 48
Глохнет/падают обороты при сбросе на нейтраль (бензин)
На разборке смотреть... в свое время 5 евро за него заплатил, но попал на начало разбора 1.8Т AWC.
Сверху, без ямы, но вряд ли получиться нормально снять именно из-за байпасного клапана. Хотя можно и попробовать, вдруг как подлезешь.
Пару крепких досок - пару блоков, лежа но по человечески снять можно.. раньше так и делал пока ямы не было.
Отправлено спустя 8 минут 20 секунд:
Да, промвал снимать не обязательно.. я турбину снимал и его не трогал
Не подойдет обычный.. там еще есть третий выход, маленький, в него байпасный клапан вставляется.
На разборке смотреть... в свое время 5 евро за него заплатил, но попал на начало разбора 1.8Т AWC.
Сверху, без ямы, но вряд ли получиться нормально снять именно из-за байпасного клапана. Хотя можно и попробовать, вдруг как подлезешь.
Пару крепких досок - пару блоков, лежа но по человечески снять можно.. раньше так и делал пока ямы не было.
Отправлено спустя 8 минут 20 секунд:
Да, промвал снимать не обязательно.. я турбину снимал и его не трогал
-
Power
- Супермодератор

- Всего сообщений: 6455
- Зарегистрирован: 19.06.2012
- Вод.стаж с: 2000
- Откуда: Moscow region, Ramensburg
- Авто: sharaban 98 7M8 ADY DBW GL бубен edition
Глохнет/падают обороты при сбросе на нейтраль (бензин)
Можно металлический флянец с боковой трубкой изготовить. А старый патрубок использовать как соединитель на двух хомутах.
Диаметр большой, да. Но прекрасно мне лично в подобной ситуации подошла выхлопная труба от Х6 , она большого диаметра, на её базе сделал трубу для впуска на свой дизель для Волги.
Диаметр большой, да. Но прекрасно мне лично в подобной ситуации подошла выхлопная труба от Х6 , она большого диаметра, на её базе сделал трубу для впуска на свой дизель для Волги.
Ни хрена не починил. Так и езжу.
-
11piligrim11
- Супермодератор

- Всего сообщений: 7544
- Зарегистрирован: 12.03.2013
- Вод.стаж с: 1995
- Откуда: г.Минск
- Авто: VW Sharan, 1.8 20V Turbo, AWC 2001 г.в. Мешалка
- Возраст: 48
Глохнет/падают обороты при сбросе на нейтраль (бензин)
Там все гораздо печальнее. Эта сторона, которая рвётся, одевается на фланец, который углубление в улитку турбины. Сама резинка несколько специфическая. Подходит от А4 аудюхи с таким же мотором. Только маленькие соски там в другую сторону. Но в любом случае это не выход. В смысле, на разборке их найти целые практически не реально. Есть в Минске на Жданах девушка Лиля. У неё эти патрубки как правило и ищем. Ценник у неё гуманный. Если визитку найду, скину телефончик.
Ни что не радует так, как то, что сделано собственными руками.
11piligrim11
11piligrim11
-
Автор темыkir86
- Наблюдатель

- Всего сообщений: 19
- Зарегистрирован: 29.09.2019
- Вод.стаж с: 2009
- Откуда: бобруйск
- Авто: sharan,2000,7m9,AWC 1.8т
Глохнет/падают обороты при сбросе на нейтраль (бензин)
Как оказалось,вся система воздухозабора проще достается через подкапотное пространство. В моем случае вместе с байпасным клапаном. Единственной(но весьма существенной) проблемой оказалось открутить червячный хомут,который крепил патрубок к турбине. Его винт "смотрел" вверх,но не строго перпендикулярно. Снизу инструментом не подлезть,только пальцем нащупать. Сверху же не хватало угла,чтоб наклонить отвертку с удлинителем-очень мало места между двигателем и моторным щитом. Выручила гибкая отвертка. С ее помощью и звукового сопровождения на тему известной матери,после получаса камасутры под капотом все-таки удалось попасть головкой на винт и открутить.
Новый патрубок обещали привезти за 3-6 дней. Пока ждал,подумалось,а нельзя ли что-нибудь сделать со старым. Оказалось очень даже можно. 505-м суперклеем смешанным с содой заклеил патрубок,наверх одел клеевую термоусадку. Собрал воедино весь тракт и опрессовал(вот тут и пригодилось,что достал все через верх,а не один патрубок снизу). Все держит. Собрал и поставил на место с отремонтированным патрубком
Пару дней уже отъездил,снял логи,пока полет вроде нормальный. Теперь даже и не знаю,взять новый патрубок про запас или отказаться.
Пару дней уже отъездил,снял логи,пока полет вроде нормальный. Теперь даже и не знаю,взять новый патрубок про запас или отказаться.
-
Автор темыkir86
- Наблюдатель

- Всего сообщений: 19
- Зарегистрирован: 29.09.2019
- Вод.стаж с: 2009
- Откуда: бобруйск
- Авто: sharan,2000,7m9,AWC 1.8т
Глохнет/падают обороты при сбросе на нейтраль (бензин)
вместо порваного патрубка ВКГ
мне привезли такой стоит 7р. Ни одной маркировки на самом патрубке нету.
Мог бы быть и подлиннее с каждой стороны на ~10мм,но уже как есть.
Мог бы быть и подлиннее с каждой стороны на ~10мм,но уже как есть.
-
Vitalijster
- Опытный

- Всего сообщений: 913
- Зарегистрирован: 19.04.2017
- Вод.стаж с: 1994
- Откуда: Vilnius
- Авто: Sharan 2003 1.8Т AWC
- Возраст: 48
Глохнет/падают обороты при сбросе на нейтраль (бензин)
Как бы маловато ДМРВ показывает.. 117 , должно быть около 130.
-
Автор темыkir86
- Наблюдатель

- Всего сообщений: 19
- Зарегистрирован: 29.09.2019
- Вод.стаж с: 2009
- Откуда: бобруйск
- Авто: sharan,2000,7m9,AWC 1.8т
Глохнет/падают обороты при сбросе на нейтраль (бензин)
[/quote]
на первом логе 125 в пике-пляшет немного
А что еще можно попробовать сделать?
Как бы маловато ДМРВ показывает.. 117 , должно быть около 130.
[/quote]
на первом логе 125 в пике-пляшет немного
А что еще можно попробовать сделать?
-
- Похожие темы
- Ответы
- Просмотры
- Последнее сообщение
-
- 8 Ответы
- 6683 Просмотры
-
Последнее сообщение евгенгий
-
- 14 Ответы
- 10490 Просмотры
-
Последнее сообщение Pivovar
-
- 327 Ответы
- 71994 Просмотры
-
Последнее сообщение Олег1977
-
- 2 Ответы
- 4020 Просмотры
-
Последнее сообщение 11piligrim11
-
- 5 Ответы
- 11939 Просмотры
-
Последнее сообщение Cateika
Мобильная версия