Sharan ADY Simos протокол KWP1281
Подключал через PL2303HX
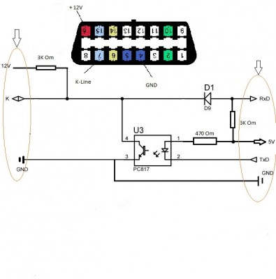
Затрати 2-3 уе. Четире резистора, оптопара и USB-TTL. Т.к. я буду вживлять ето все "под торпеду" то разьеми мне не нужни.
Диод 1N4007 (да по сути любой)
Резистори (0.15мА с головой)
3К Ом - 2шт
470-510 Ом - 2шт
Оптопара РС817
USB-TTL - у меня била оригинал от пролифик, но и на чипе СН340 тоже работает
ЗИ перевернул обд2 разьем, шарановоди в первой будке поймут
А вообще скорее всего переделаю на микруху SI9243AEY-T1-E3 только надо в корпусе дип найти (неохота плату травить).
Зачем спросите? а хочу вайфай, планшет и шнур не курочить. Да и шнури сбоят
Мобильная версия



