Общие проблемы с бензиновым двигателем
-
Автор темы11piligrim11
- Супермодератор

- Всего сообщений: 7544
- Зарегистрирован: 12.03.2013
- Вод.стаж с: 1995
- Откуда: г.Минск
- Авто: VW Sharan, 1.8 20V Turbo, AWC 2001 г.в. Мешалка
- Возраст: 48
Re: Помощь новичкам (не знаем в какую ветку писать - пишем с
Желательно подключить комп и посмотреть ошибки. Похоже на датчик температуры ож. Возможно и из-за дырок во впускном тракте. Но комп скажет точнее.
Ни что не радует так, как то, что сделано собственными руками.
11piligrim11
11piligrim11
-
Тима
- Бывалый

- Всего сообщений: 626
- Зарегистрирован: 17.12.2014
- Вод.стаж с: 1992
- Откуда: Казахстан,Алматы
- Авто: шаран 1996г 2.8л ААА АКПП
- Возраст: 54
Re: Общие проблемы с бензиновым двигателем
Приветствую всех!Подскажите пожалуйста смогу ли я сам сделать ревизию(т.е. снять,проверить, почистить и т.д.) гидронатяжитель цепи!Поделитесь пожалуйста опытом,если можно с фото!Заранее благодарю!Двигатель 2.8 ААА.НАдеюсь правильно раздел выбрал! 
Приветствую всех!Всем удачи!
-
Тима
- Бывалый

- Всего сообщений: 626
- Зарегистрирован: 17.12.2014
- Вод.стаж с: 1992
- Откуда: Казахстан,Алматы
- Авто: шаран 1996г 2.8л ААА АКПП
- Возраст: 54
Re: Общие проблемы с бензиновым двигателем
Извините не знал куда написать ,пишу здесь! Проблема такая-при покупке машины насос подкачки воздуха работал ,после одного из ремонтов на СТО(замена помпы и тд) перестал работать!Вчера при снятии вентиляторов охлаждения пришлось и его снимать-при снятии обнаружилось что внутри него вода
.Воду слил подсушил правда разобрать не успел.
Подскажите пожайлуста нужно ли вообще его восстанавливать?В прошлом году при замене генератора-на мой вопрос об этой системе мастер сказал что можно заглушить его ,вроде как на моей машине эта система не работает(в смысле именно на моей)!

Подскажите пожайлуста нужно ли вообще его восстанавливать?В прошлом году при замене генератора-на мой вопрос об этой системе мастер сказал что можно заглушить его ,вроде как на моей машине эта система не работает(в смысле именно на моей)!
Приветствую всех!Всем удачи!
-
Автор темы11piligrim11
- Супермодератор

- Всего сообщений: 7544
- Зарегистрирован: 12.03.2013
- Вод.стаж с: 1995
- Откуда: г.Минск
- Авто: VW Sharan, 1.8 20V Turbo, AWC 2001 г.в. Мешалка
- Возраст: 48
Re: Общие проблемы с бензиновым двигателем
Тима, а подинамике машины это как-то отражается? У меня, если насос вторичного воздуха отключить, машина тупит, шо пипец. И матюкается на меня. Если у тебя такого нет, то я думаю, при наличии времени и средств, можно разобрать и попытаться восстановить. Или заменить. А так, можно и не заморачиваться, если вся система заглушена.
Ни что не радует так, как то, что сделано собственными руками.
11piligrim11
11piligrim11
-
Тима
- Бывалый

- Всего сообщений: 626
- Зарегистрирован: 17.12.2014
- Вод.стаж с: 1992
- Откуда: Казахстан,Алматы
- Авто: шаран 1996г 2.8л ААА АКПП
- Возраст: 54
Re: Общие проблемы с бензиновым двигателем
Вроде посмотрев он сказал ,что заглушена!Хотя при заводе она то срабатывала!Тогда куда воздух нагнетался?
Забор воздуха идет с воздухана а подается на какой то клапан который входит то ли в коллектор то ли в блок(или наоборот
),и у меня все соединено это.А еще эта система срабатывала после завода двигателя секунд 15-20 потом отключалась(а в движении вроде нет)
Забор воздуха идет с воздухана а подается на какой то клапан который входит то ли в коллектор то ли в блок(или наоборот
Приветствую всех!Всем удачи!
-
Автор темы11piligrim11
- Супермодератор

- Всего сообщений: 7544
- Зарегистрирован: 12.03.2013
- Вод.стаж с: 1995
- Откуда: г.Минск
- Авто: VW Sharan, 1.8 20V Turbo, AWC 2001 г.в. Мешалка
- Возраст: 48
Re: Общие проблемы с бензиновым двигателем
Не, это система ЕГР и принцип работы у неё несколько иной. Есть тема "чистка ЕГР" там состав её с фотками имеется. Можешь глянуть, для общего развития.
Ни что не радует так, как то, что сделано собственными руками.
11piligrim11
11piligrim11
-
Тима
- Бывалый

- Всего сообщений: 626
- Зарегистрирован: 17.12.2014
- Вод.стаж с: 1992
- Откуда: Казахстан,Алматы
- Авто: шаран 1996г 2.8л ААА АКПП
- Возраст: 54
Re: Общие проблемы с бензиновым двигателем
Получается это ЕГР для бензиновых двигателей?У меня эта система работала при заводе(секунд 30) а потом отключалась!
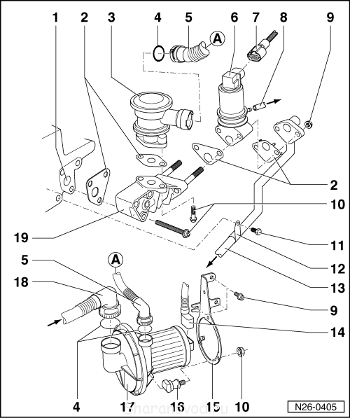
Позиции номер 12,13 у меня нет,что то похожее на номер 6 расположено отдельно и соединено с номером 3 тонким шлангом.
Прошу извинить DJ Astro за использование схемы!
Информация от Mex@n!K:
Система подачи Вторичного Воздуха, предназначена для сокращения времени, необходимого для выхода каталитического нейтрализатора на рабочий режим при запуске холодного двигателя. После запуска холодного двигателя насос включается на 60с. Насос засасывает воздух из короба с воздушным фильтром и посредством каналов в головке блока подаёт его в пространство за выпускными клапанами. Выхлопные газы богатые CH обогащаются кислородом из СпВВ, что приводит к заметному увеличению скорости выхода на режим катализатора.
Michael D:
это насос подачи добавочного воздуха. этакая маломощная турбина с электроприводом. нужна для соответствия экологическим параметрам выхлопа при холодном запуске мотора. на прогретом не работает.
Прошу извинить DJ Astro за использование схемы!
Информация от Mex@n!K:
Система подачи Вторичного Воздуха, предназначена для сокращения времени, необходимого для выхода каталитического нейтрализатора на рабочий режим при запуске холодного двигателя. После запуска холодного двигателя насос включается на 60с. Насос засасывает воздух из короба с воздушным фильтром и посредством каналов в головке блока подаёт его в пространство за выпускными клапанами. Выхлопные газы богатые CH обогащаются кислородом из СпВВ, что приводит к заметному увеличению скорости выхода на режим катализатора.
Michael D:
это насос подачи добавочного воздуха. этакая маломощная турбина с электроприводом. нужна для соответствия экологическим параметрам выхлопа при холодном запуске мотора. на прогретом не работает.
Приветствую всех!Всем удачи!
-
Power
- Супермодератор

- Всего сообщений: 6455
- Зарегистрирован: 19.06.2012
- Вод.стаж с: 2000
- Откуда: Moscow region, Ramensburg
- Авто: sharaban 98 7M8 ADY DBW GL бубен edition
Re: Общие проблемы с бензиновым двигателем
Тима, нет. ЕГР - это рециркуляция отработавших газов. Наоборот из выхлопа газы подмешиваются обратно во впуск. На дожигание.
Обсуждаемая система- другое назначение и функционал.
Обсуждаемая система- другое назначение и функционал.
Ни хрена не починил. Так и езжу.
-
Тима
- Бывалый

- Всего сообщений: 626
- Зарегистрирован: 17.12.2014
- Вод.стаж с: 1992
- Откуда: Казахстан,Алматы
- Авто: шаран 1996г 2.8л ААА АКПП
- Возраст: 54
Re: Общие проблемы с бензиновым двигателем
Michael D:
это насос подачи добавочного воздуха. этакая маломощная турбина с электроприводом. нужна для соответствия экологическим параметрам выхлопа при холодном запуске мотора. на прогретом не работает.
Значит у меня вот эта система.Вообще есть смысл восстановить его или все убрать и заглушить?
это насос подачи добавочного воздуха. этакая маломощная турбина с электроприводом. нужна для соответствия экологическим параметрам выхлопа при холодном запуске мотора. на прогретом не работает.
Значит у меня вот эта система.Вообще есть смысл восстановить его или все убрать и заглушить?
Приветствую всех!Всем удачи!
-
Автор темы11piligrim11
- Супермодератор

- Всего сообщений: 7544
- Зарегистрирован: 12.03.2013
- Вод.стаж с: 1995
- Откуда: г.Минск
- Авто: VW Sharan, 1.8 20V Turbo, AWC 2001 г.в. Мешалка
- Возраст: 48
Re: Общие проблемы с бензиновым двигателем
Я бы не глушил. Разобрался бы и сделал. А отчёт сюда.
Ни что не радует так, как то, что сделано собственными руками.
11piligrim11
11piligrim11
-
- Похожие темы
- Ответы
- Просмотры
- Последнее сообщение
-
- 929 Ответы
- 122476 Просмотры
-
Последнее сообщение diesel1979
-
- 526 Ответы
- 60367 Просмотры
-
Последнее сообщение vasya
-
- 13 Ответы
- 10848 Просмотры
-
Последнее сообщение nepcuk
-
- 10 Ответы
- 11706 Просмотры
-
Последнее сообщение Vofik
-
- 4 Ответы
- 6266 Просмотры
-
Последнее сообщение anton
Мобильная версия