Система отопления салона (Климатконтроль)
-
Автор темы11piligrim11
- Супермодератор

- Всего сообщений: 7544
- Зарегистрирован: 12.03.2013
- Вод.стаж с: 1995
- Откуда: г.Минск
- Авто: VW Sharan, 1.8 20V Turbo, AWC 2001 г.в. Мешалка
- Возраст: 48
Re: Система отопления салона
Ivanushka, ты правильно говоришь. Твоя проблема в том, что сзади стоит хороший радиатор, а спереди фигня, или при установке ты забыл его лентой с поролоном проклеить, или проклеил, но собрал при установке, или заслонка холодный/горячий зависела. В итоге передняя и задняя печка пыжутся поднять в салоне установленную температуру, а так как передней это не удаётся, отопление салона происходит за счёт задней. Короче. Клима в шаране, очень хорошая и продуманная штука. Если с ней проблема, и приходится вот также как у тебя мучатся, значит что-то у тебя в ней не исправно. В твоём случае, проверь заслонку, если это не поможет, меняй радиатор на нормальный.
Ни что не радует так, как то, что сделано собственными руками.
11piligrim11
11piligrim11
-
miki996
- Специалист

- Всего сообщений: 1657
- Зарегистрирован: 14.03.2013
- Откуда: Иваново
- Авто: Vw Sharan 2009 1.9L BVK+чиптюнинг. акпп GPE
- Возраст: 60
Re: Система отопления салона
дело не климате шарана. а в отопителе AVA. 
Отправлено спустя 45 минут 7 секунд:
под №10.
10 - Датчик температуры задних дефлекторов -G174-
Отправлено спустя 45 минут 7 секунд:
под №10.
10 - Датчик температуры задних дефлекторов -G174-
был шарик ADY 1996
-
Ivanushka
- Постоялец

- Всего сообщений: 196
- Зарегистрирован: 25.11.2014
- Вод.стаж с: 2000
- Откуда: Krasnoznamensk
- Авто: VW Sharan 2001 1.8T AWC мкпп
- Возраст: 43
Re: Система отопления салона
miki996, парни понятно что АВА не штатное Г, но все же, можно же было чуть поумнее дуть.
Во-перых, есть такое понятие как 2 зонный климат. Может я хочу сзади холод или жару. Не так как спереди. Ан нельзя устроить. из-за отсуствия датчика температуры сзади.
Хотя в иных авто умудряются лево и право как-то разделить
А во-вторых покртикую саму программу климатроника. Ну допустим радиатор у меня не АВА, а просто подзабился родной передний. Так вот, если дуть на него тихонько, то воздух то идет теплый. А если дуть на максимум, как клима делает, то фиг вам. Идет ледяной. Не успевает он нагреться....
Насчет АВА я еще думаю может пробки воздушные не выгнались. Все же движок снимал недавно...
Во-перых, есть такое понятие как 2 зонный климат. Может я хочу сзади холод или жару. Не так как спереди. Ан нельзя устроить. из-за отсуствия датчика температуры сзади.
Хотя в иных авто умудряются лево и право как-то разделить
А во-вторых покртикую саму программу климатроника. Ну допустим радиатор у меня не АВА, а просто подзабился родной передний. Так вот, если дуть на него тихонько, то воздух то идет теплый. А если дуть на максимум, как клима делает, то фиг вам. Идет ледяной. Не успевает он нагреться....
Насчет АВА я еще думаю может пробки воздушные не выгнались. Все же движок снимал недавно...
-
TALON44
- Специалист

- Всего сообщений: 1147
- Зарегистрирован: 15.02.2014
- Вод.стаж с: 1999
- Откуда: г.Кострома
- Авто: VW Sharan Syncro,1997г.в.,2.8, ААА, VR6, Carat, AT
- Возраст: 53
Re: Система отопления салона
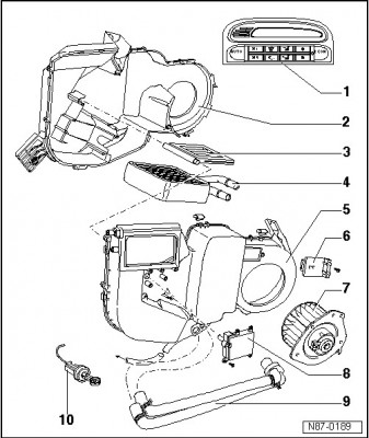
Снятие заднего температуры отверстие отправителя -G174-
- Снимите крышку -2- .
- Потяните разъем от заднего вентиляционного Датчик температуры -G174--1- .
- Включите заднего ТЕМПЕРАТУРЫ отверстие отправителю -G174--1- 90 ° и вынуть. (перевод Гугла)
- Снимите крышку -2- .
- Потяните разъем от заднего вентиляционного Датчик температуры -G174--1- .
- Включите заднего ТЕМПЕРАТУРЫ отверстие отправителю -G174--1- 90 ° и вынуть. (перевод Гугла)
-

- Система отопления салона Климатконтроль - G174.jpg (41.79 КБ) 3066 просмотров
-
Тима
- Бывалый

- Всего сообщений: 626
- Зарегистрирован: 17.12.2014
- Вод.стаж с: 1992
- Откуда: Казахстан,Алматы
- Авто: шаран 1996г 2.8л ААА АКПП
- Возраст: 54
Re: Система отопления салона
Сегодня утром включаю зажигание...и на дисплее климата ничего не происходит..раньше появлялись непонятные символы в течении 10-15 секунд моргали(это вроде нет фреона в системе,в общем кондер не работает)..а теперь чисто!?!Чтобы это значило?Кто знает..это плохо?

Приветствую всех!Всем удачи!
-
TALON44
- Специалист

- Всего сообщений: 1147
- Зарегистрирован: 15.02.2014
- Вод.стаж с: 1999
- Откуда: г.Кострома
- Авто: VW Sharan Syncro,1997г.в.,2.8, ААА, VR6, Carat, AT
- Возраст: 53
Re: Система отопления салона
А кнопки климатроника работают?
А сам-то как думаешь? Чего хорошего, если дисплей не показывает?!
-
Ivanushka
- Постоялец

- Всего сообщений: 196
- Зарегистрирован: 25.11.2014
- Вод.стаж с: 2000
- Откуда: Krasnoznamensk
- Авто: VW Sharan 2001 1.8T AWC мкпп
- Возраст: 43
Re: Система отопления салона
Тима, ну радуйся. Считай починил
ошибки климы небось сбросил. Клима думает все ок и не мигает. Вот теперь жди летам. Клима захочет кондей включить, попробует, и не получится, тогда она зафиксит ошибку и опять будет мигать.
ошибки климы небось сбросил. Клима думает все ок и не мигает. Вот теперь жди летам. Клима захочет кондей включить, попробует, и не получится, тогда она зафиксит ошибку и опять будет мигать.
-
Тима
- Бывалый

- Всего сообщений: 626
- Зарегистрирован: 17.12.2014
- Вод.стаж с: 1992
- Откуда: Казахстан,Алматы
- Авто: шаран 1996г 2.8л ААА АКПП
- Возраст: 54
Re: Система отопления салона
Кнопки работают!Вот я и спрашиваю..хорошо это или плохо
.Ошибки не сбрасывал(с аккума клеммы давно не скидывал)
Дисплей все показывает!!!Единственное что при включении пропали непонятные знаки!
Сходил посмотрел..вот что есть...на втором фото на заднем плане что то вроде поролона твердого..в него завернуто было и вставлено в отверстие в кузове
Так у меня когда включаешь климу(а включается она нажатием на кнопку АВТО...по другому никак!!!)кондер первым и включается..потом я сразу на ЕСОН переключаю!!
У меня вроде такого нет..
Сходил посмотрел..вот что есть...на втором фото на заднем плане что то вроде поролона твердого..в него завернуто было и вставлено в отверстие в кузове
Последний раз редактировалось Тима 25 янв 2016, 22:19, всего редактировалось 1 раз.
Приветствую всех!Всем удачи!
-
Pasha
- Наблюдатель

- Всего сообщений: 13
- Зарегистрирован: 17.01.2016
- Вод.стаж с: 2009
- Авто: sharan 2001 2.0
Re: Система отопления салона
очень нужна помощь
Парни подскажите купил недавно шарана 2.0 2001 у меня стоит доп насос ож но фишка на нем снята я решил одеть и заметил что он не отключается вообще подскажите в чем причина
P.S. даже одел фишку не заводя авто после ночного простоя в -10 и через 20 минут он всеровно работал при всем этом вентилятор радиатора не работает
Парни подскажите купил недавно шарана 2.0 2001 у меня стоит доп насос ож но фишка на нем снята я решил одеть и заметил что он не отключается вообще подскажите в чем причина
P.S. даже одел фишку не заводя авто после ночного простоя в -10 и через 20 минут он всеровно работал при всем этом вентилятор радиатора не работает
-
Тима
- Бывалый

- Всего сообщений: 626
- Зарегистрирован: 17.12.2014
- Вод.стаж с: 1992
- Откуда: Казахстан,Алматы
- Авто: шаран 1996г 2.8л ААА АКПП
- Возраст: 54
Re: Система отопления салона
Вероятно сам насос..контакты внутри него залипли..видимо предхоз и скинул фишку чтобы с заменой не мучиться ИМХО.Вентилятор радиатора вроде не зависит от этого насоса и наоборот.
П.С.У меня к Вам большая просьба смените пожалуйста свой никнейм...не сочтите за оскорбление!С уважением Тима

П.С.У меня к Вам большая просьба смените пожалуйста свой никнейм...не сочтите за оскорбление!С уважением Тима
Приветствую всех!Всем удачи!
-
- Похожие темы
- Ответы
- Просмотры
- Последнее сообщение
Полная версия