после снятия с сигнализации через приблизно 1 минуту вдруг стал сам срабатывать центральный замок на заблокирование, поворотники при этом тож срабатывают. При этом замечено, что при снятии с сигнализации лампа освещения салона переднего и центрального плафонов в положении выключателя "на открытие дверей" - не горят. В положении просто "включено" лампы переднего и центрального плафонов горят. Лампочки освещения багажника при снятии с сигнализации как и положено - включаются, при постановке на сигнализацию - тухнут.
покурил схемку
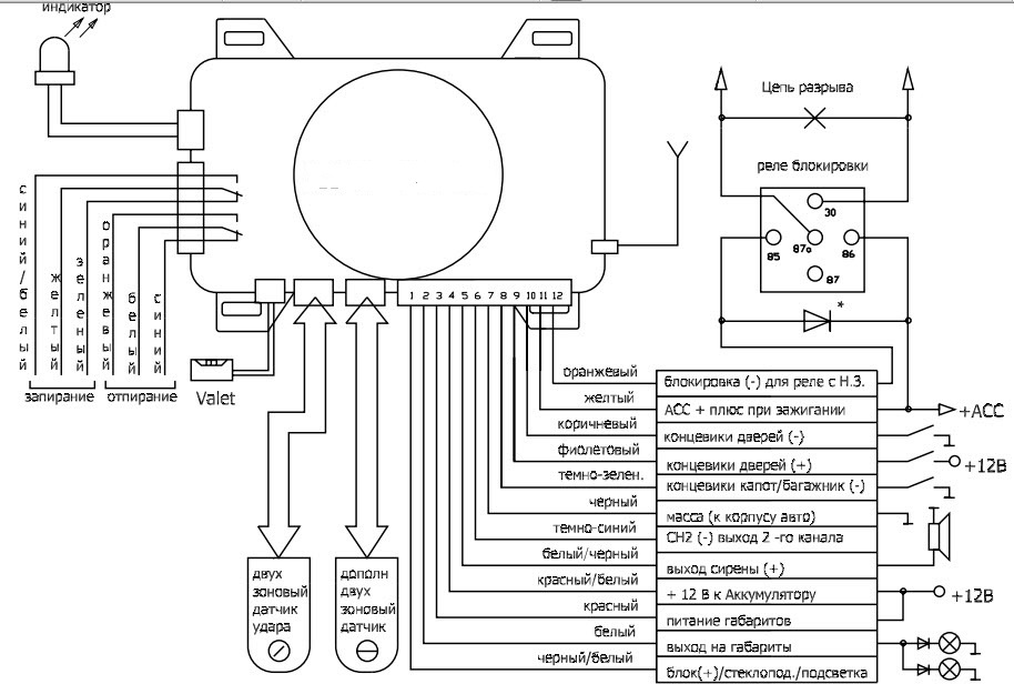
Правильно ли понимаю, что где-то по ходу перетерся провод коричнево-желтый на освещение на лампы переднего и центрального плафонов освещения салона (лампы №68, №69 на схеме) и возможно еще перетерся провод на концевик личинки замка (или утечка) и блок комфорта и центрального замка реагирует и закрывает авто.
Мобильная версия


