Evgeny: 05 окт 2019, 23:44 ... проблема с розеткой 12В около правого пассажирского сидения (у правого заднего колеса)...
ЗЫ. Так то, в 2008-м... модель была 7М6, а не 7М9... и два 2.0 диз.мотора BRT и BVH...

Evgeny: 05 окт 2019, 23:44 ... проблема с розеткой 12В около правого пассажирского сидения (у правого заднего колеса)...


Можно, по наклейке с данными автомобиля... (если сохранилась и пр.)


В нише под сиденьем... Ниша закрыта крышкой, варианты крышек могут разные быть. Сама ниша небольшая, осмотреть несложно...





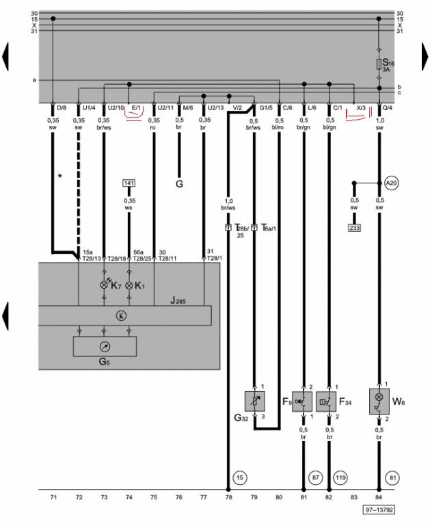
Их подключение(которого нет) не имеет никакого отношения с светодиоду К7. Возможно у вас сигналка с автозапуском,там требуется подключение к ручнику,либо может есть магнитола с экраном,а там для просмотра нужно подсоединять к ручнику(есть умельцы которые таки к нему и подсоединяют)))ursul: 07 окт 2019, 14:58 на зеведенном двигателе чуть тлеет лампа К7. Разьеми ручника и индикатора уровня тормозухи снимал, чистил. Посему вопрос - куда подключени контакти Х/3 и Е/1?