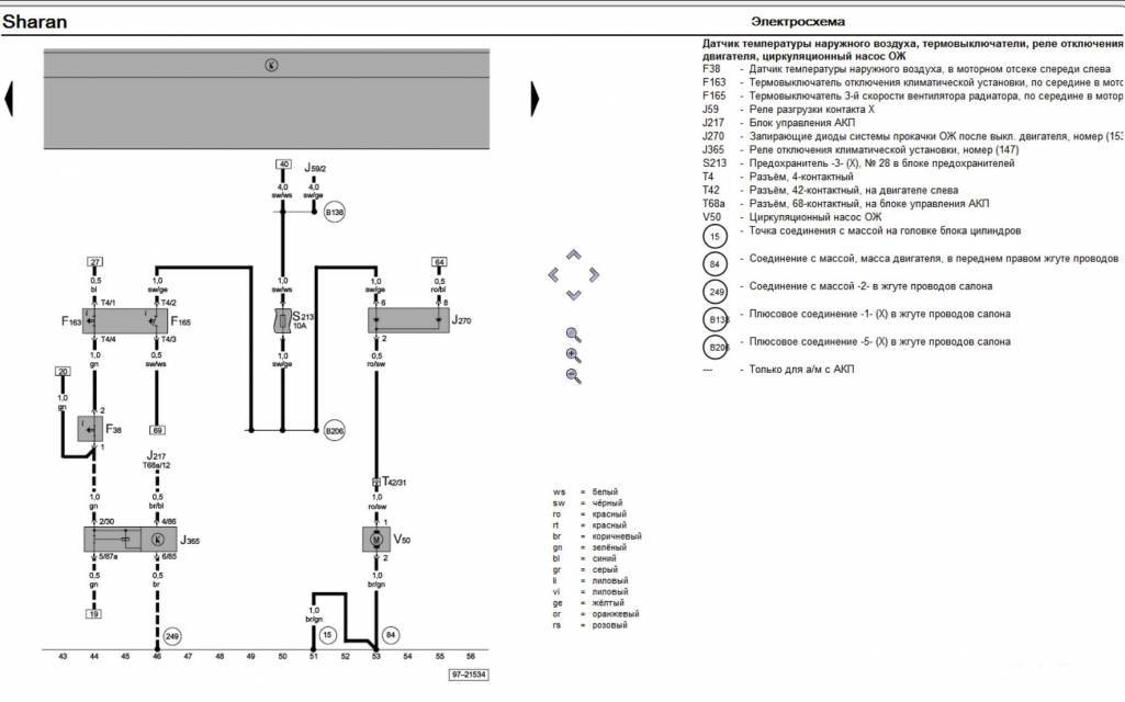
Добрый день и все-таки он у меня зелёный, и да счетки как у всех надо на нём менять.Cateika: 29 окт 2022, 20:07Это дополнительный насос прокачки ОЖ после выключения двигателя... подключен +серым проводом 1.0, от 430/454 блока управления вентиляторами ...
Зелный 0.5, да есть такой, только это дозирующий (топливный) насос эбера...
Электрические схемы Шаран
-
fantom1818
- Интересующийся

- Всего сообщений: 34
- Зарегистрирован: 16.11.2020
- Вод.стаж с: 2013
- Откуда: Лиски
- Авто: Sharan 1.9 2008
Электрические схемы Шаран
-
Power
- Супермодератор

- Всего сообщений: 6462
- Зарегистрирован: 19.06.2012
- Вод.стаж с: 2000
- Откуда: Moscow region, Ramensburg
- Авто: sharaban 98 7M8 ADY DBW GL бубен edition
Электрические схемы Шаран
Дядьки, кто нибудь помнит, в какой части схем дополнительная помпа показана, на VR6 дорест дорест? Я конечно пойду сейчас подряд искать...))
Но в моторных подключениях её нет. Она как-то сама по себе..
Отправлено спустя 39 минут 3 секунды:
Пока не нашлось...
Но в моторных подключениях её нет. Она как-то сама по себе..
Отправлено спустя 39 минут 3 секунды:
Пока не нашлось...
Ни хрена не починил. Так и езжу.
-
Power
- Супермодератор

- Всего сообщений: 6462
- Зарегистрирован: 19.06.2012
- Вод.стаж с: 2000
- Откуда: Moscow region, Ramensburg
- Авто: sharaban 98 7M8 ADY DBW GL бубен edition
Электрические схемы Шаран
Наверное не актуально уже.
Думаю, сделаю через отдельное реле, с управлением от ЭБУ, параллельно реле ЭБН.
Думаю, сделаю через отдельное реле, с управлением от ЭБУ, параллельно реле ЭБН.
Ни хрена не починил. Так и езжу.
-
Vadomir
- Специалист

- Всего сообщений: 1669
- Зарегистрирован: 12.04.2020
- Вод.стаж с: 2002
- Откуда: Таганрог
- Авто: Alhambra 2002 ATM. Sharan 2007 BVK
-
borisvg1
- Новичок
- Всего сообщений: 9
- Зарегистрирован: 30.10.2019
- Вод.стаж с: 2012
- Откуда: Тюмень
- Авто: Sharan 1,9 TDI 2001г.в. рестайл
Электрические схемы Шаран
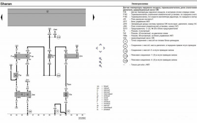
Исходные данные: Sharan 1,9 tdi двигатель AUY 2001г.в. Не заводится (при работающем двигателе пытался 3 раза воткнуть обратно фишку на датчике масла G266, которую выбивало с звуком "пшика", потом обнаружил, что фишка снутри чуть оплавилась). Заглушил. И обратно уже завести не смог. Ни на горячую, ни на холодную.
Подскажите как найти сколько должно быть напряжение на разъеме J3 идущем на датчик распредвала G40 (модель VAG 045 957 147 B )? Это где написано в ELSA? нашел в сети, что при повернутом ключе в "зажигание" вроде что пин №1 и пин №2 = +5В, а пин №3 = масса. Если правда.
У меня на пин №1 = 0,03В. Вижу что провод с пин №1 датчика G40 также идет и на датчики G266 и G22.
Далее пытаюсь понять по схемам ELSA куда ведут провода с пин №1 (кроме датчиков G266 и G22) - и не могу найти что такое загадочное "j"? Куда ведет этот провод?
Или кроме также F36 и F47 (я так понимаю это какие-то реле) больше никуда не идет этот провод? ... позже обнаружил, что к j подключаются также клапана управления N18 и N75 - что реально наводит на мысль, что "j" - похоже какой-то питающий общий провод. Вроде нашел что "j" выходит на предохранитель S234. Есть где-то полная схема на одном огромном рисунке? И есть где-то инфа на каких пинах сколько вольт должно быть? и по датчикам инфа - как они должны звониться если исправны?
Подскажите как найти сколько должно быть напряжение на разъеме J3 идущем на датчик распредвала G40 (модель VAG 045 957 147 B )? Это где написано в ELSA? нашел в сети, что при повернутом ключе в "зажигание" вроде что пин №1 и пин №2 = +5В, а пин №3 = масса. Если правда.
У меня на пин №1 = 0,03В. Вижу что провод с пин №1 датчика G40 также идет и на датчики G266 и G22.
Далее пытаюсь понять по схемам ELSA куда ведут провода с пин №1 (кроме датчиков G266 и G22) - и не могу найти что такое загадочное "j"? Куда ведет этот провод?
Или кроме также F36 и F47 (я так понимаю это какие-то реле) больше никуда не идет этот провод? ... позже обнаружил, что к j подключаются также клапана управления N18 и N75 - что реально наводит на мысль, что "j" - похоже какой-то питающий общий провод. Вроде нашел что "j" выходит на предохранитель S234. Есть где-то полная схема на одном огромном рисунке? И есть где-то инфа на каких пинах сколько вольт должно быть? и по датчикам инфа - как они должны звониться если исправны?
-
Cateika
- Главный электрик форума

- Всего сообщений: 4042
- Зарегистрирован: 25.03.2013
- Вод.стаж с: 1987
- Откуда: KZ, г.Рудный
- Авто: VW Sharan, 1997, AHU, 1,9 МКПП DBW, VinDisel.
Электрические схемы Шаран
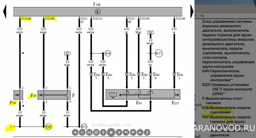
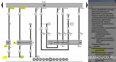
Так то, это не обозначение провода... такими буквами j,m,t,l, и пр.(прописной курсив) обозначены соответствия при переходе на соседнюю схему...
А вообще, это соединение проводов в жгуте, под номером F26 ...
На одном листе эл.схема есть здесь (Электрические схемы Шаран (Пост Cateika #57645))... для AUY...ну и что, что для Галки...
Так то, это не обозначение провода... такими буквами j,m,t,l, и пр.(прописной курсив) обозначены соответствия при переходе на соседнюю схему...
А вообще, это соединение проводов в жгуте, под номером F26 ...
Да какие же, это реле ?!... вполне, ясно написано, что это концевики педалей...
-
pavasilich
- Всего сообщений: 4
- Зарегистрирован: 22.03.2021
- Вод.стаж с: 1982
- Откуда: Липецк
- Авто: VW Sharan 1998 ADY
- Возраст: 64
Электрические схемы Шаран
Доброго времени суток. Подскажите,где можно взять Эл.схемы управления двигателем ADY 1998 г. на отдельных листах, чтобы можно было распечатать. А то на первой странице выложены схемы, но печатать их нужно на огромном билборде, чтобы разобрать, а с системником и монитором по гаражу перемещаться не очень удобно. Заранее благодарю.
-
Cateika
- Главный электрик форума

- Всего сообщений: 4042
- Зарегистрирован: 25.03.2013
- Вод.стаж с: 1987
- Откуда: KZ, г.Рудный
- Авто: VW Sharan, 1997, AHU, 1,9 МКПП DBW, VinDisel.
Электрические схемы Шаран
... любой китайфон pdf откроет ... хоть увелич, хоть уменьш...
А чё ? ... всё ещё нокия 3260 в пользовании ?
-
pavasilich
- Всего сообщений: 4
- Зарегистрирован: 22.03.2021
- Вод.стаж с: 1982
- Откуда: Липецк
- Авто: VW Sharan 1998 ADY
- Возраст: 64
-
Cateika
- Главный электрик форума

- Всего сообщений: 4042
- Зарегистрирован: 25.03.2013
- Вод.стаж с: 1987
- Откуда: KZ, г.Рудный
- Авто: VW Sharan, 1997, AHU, 1,9 МКПП DBW, VinDisel.
Электрические схемы Шаран
Ну, дык разбить пдф постранично для распечатки... что мешает, тем более, что есть системник с монитором..
-
- Похожие темы
- Ответы
- Просмотры
- Последнее сообщение
-
- 57 Ответы
- 40262 Просмотры
-
Последнее сообщение Yurec66
-
- 1 Ответы
- 6470 Просмотры
-
Последнее сообщение Power
-
- 2 Ответы
- 9907 Просмотры
-
Последнее сообщение Мансур
-
- 6 Ответы
- 6854 Просмотры
-
Последнее сообщение V.V.Niko
-
- 14 Ответы
- 11277 Просмотры
-
Последнее сообщение Евгений-69
Мобильная версия