Уважаемые новички нашего форума, если вы уже изъюзали поиск сайта и так и не нашли ответа на ваш вопрос, не определились в какой ветке всё таки задать его, то не стоит писать один и тот же вопрос во всех ветках подряд, задавать свои вопросы где попало. Добро пожаловать в эту тему. Только пожалуйста постарайтесь сформулировать свой вопрос на языке близком к техническому. Чем больше информации о вашей проблеме (какие симптомы, когда появилась, при каких обстоятельствах проявляется, что делалось, какие ошибки выдаёт компьютерная диагностика) тем быстрее мы сможем помочь вам.
Уважаемые старожилы сайта на вопрос новичка, либо короткий ответ, либо ссылка на решение проблемы, либо ссылка на тему, где можно это обсудить. Не превращаем тему, в консультант по неясным вопросам.
Помощь новичкам (не знаем в какую ветку писать - пишем сюда)
-
Автор темы11piligrim11
- Супермодератор

- Всего сообщений: 7544
- Зарегистрирован: 12.03.2013
- Вод.стаж с: 1995
- Откуда: г.Минск
- Авто: VW Sharan, 1.8 20V Turbo, AWC 2001 г.в. Мешалка
- Возраст: 48
Ни что не радует так, как то, что сделано собственными руками.
11piligrim11
11piligrim11
-
Power
- Супермодератор

- Всего сообщений: 6462
- Зарегистрирован: 19.06.2012
- Вод.стаж с: 2000
- Откуда: Moscow region, Ramensburg
- Авто: sharaban 98 7M8 ADY DBW GL бубен edition
Помощь новичкам (не знаем в какую ветку писать - пишем сюда)
А может просто туго в направляющих стекло ходит? И не может сдвинуться?
Ни хрена не починил. Так и езжу.
-
Петрович83
- Новичок
- Всего сообщений: 6
- Зарегистрирован: 09.10.2025
- Вод.стаж с: 2012
- Откуда: Екб.
- Авто: Шараи VR6 2,8 бензин АКПП 4х4
Помощь новичкам (не знаем в какую ветку писать - пишем сюда)
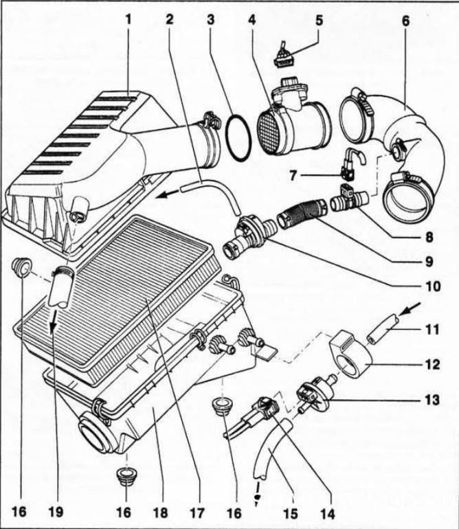
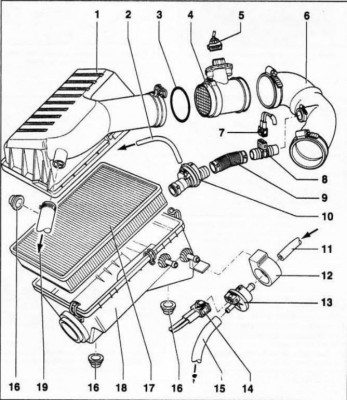
вчера начал все собирать обратно чтоб сгонять к диагносту и обнаружил лопнутый шланчик все собрал и ... о чудо все заработало пишу так на всякий случай чтоб народ знал, лопнытый шланчик этот находился на Т-образном штуцере к нему уходит шланчик 2. всем спасибоVadomir: 20 янв 2026, 08:30 в мозгах скорее всего есть. Но точно не скажу. Мыть скорее всего бесполезно. Нет там ничего такого что могло бы забиться так чтоб холостые совсем пропали. Обычно графитовая полоска на резисторе стирается. А это не лечится. Тут надо сначала диагностику сделать. А потом лезть.
-
andrey_kmv
- Специалист

- Всего сообщений: 1662
- Зарегистрирован: 15.01.2016
- Вод.стаж с: 1993
- Откуда: Ставропольский край
- Авто: Seat Alhambra, 2006, ATM, МКПП, ГБО BRC
- Возраст: 51
-
Power
- Супермодератор

- Всего сообщений: 6462
- Зарегистрирован: 19.06.2012
- Вод.стаж с: 2000
- Откуда: Moscow region, Ramensburg
- Авто: sharaban 98 7M8 ADY DBW GL бубен edition
Помощь новичкам (не знаем в какую ветку писать - пишем сюда)
Петрович83, дроссель хоть помыл?)
Ни хрена не починил. Так и езжу.
-
Петрович83
- Новичок
- Всего сообщений: 6
- Зарегистрирован: 09.10.2025
- Вод.стаж с: 2012
- Откуда: Екб.
- Авто: Шараи VR6 2,8 бензин АКПП 4х4
Помощь новичкам (не знаем в какую ветку писать - пишем сюда)
. пропали повышенные обороты со вчерашнего вечера с брелка заводится и тухнет сразу потому что холодная. приходится запускать с ключа с педалью газа минут через 5 можно с брелка запускать... что может быть
. знакомый говорит может датчик температуры который говорит эбу "братан, мотор холодный, навали оборотов" ну или что еще может быть ?
побрызгал карбклинером и сколько смог протер ее но заслонку трухнул снимать так как не знаю есть память у нее или нет... но вот новая проблема
Мобильная версия