А можно точнее какой именно пин. Уточню ошибка у меня 36-00 обрыв цепи.diesel1979: 04 дек 2021, 22:05 У меня была такая ошибка, управления моторчиком идёт по плюсу,а на моторчика не было массы именно на разъёме блока управления.на кархелп форуме подсказали что бы взял и переставил в соседний пин на фишке,там целый ряд масса идёт.и все заработало.
Ремонт штатного догревателя D5WZ (Шаран, Галакси, Альхамбра)
-
kuzen31
- Постоялец

- Всего сообщений: 367
- Зарегистрирован: 27.07.2018
- Вод.стаж с: 2003
- Откуда: Белгород
- Авто: FORD GALAXY 2001г 1.9 TDI
Ремонт штатного догревателя D5WZ (Шаран, Галакси, Альхамбра)
-
diesel1979
- Участник

- Всего сообщений: 67
- Зарегистрирован: 10.01.2018
- Вод.стаж с: 1997
- Авто: Ford Galaxy 1?9tdi,98,AHU
Ремонт штатного догревателя D5WZ (Шаран, Галакси, Альхамбра)
Посмотрите на фишке которая в мозги идёт,там два проводка от моторчика,один на массе должен быть другой на управление.я просто точно не помню,там в фишке на мозгах целый ряд пинов масса.и есть свободные массы,
-
Cateika
- Главный электрик форума

- Всего сообщений: 4050
- Зарегистрирован: 25.03.2013
- Вод.стаж с: 1987
- Откуда: KZ, г.Рудный
- Авто: VW Sharan, 1997, AHU, 1,9 МКПП DBW, VinDisel.
-
diesel1979
- Участник

- Всего сообщений: 67
- Зарегистрирован: 10.01.2018
- Вод.стаж с: 1997
- Авто: Ford Galaxy 1?9tdi,98,AHU
-
kuzen31
- Постоялец

- Всего сообщений: 367
- Зарегистрирован: 27.07.2018
- Вод.стаж с: 2003
- Откуда: Белгород
- Авто: FORD GALAXY 2001г 1.9 TDI
Ремонт штатного догревателя D5WZ (Шаран, Галакси, Альхамбра)
Cateika,
Сегодня завёз плату мастеру сот телефонов будет всё проверять на ней, диод на моторчик сказал цел, смотреть остальное будет.
Сегодня завёз плату мастеру сот телефонов будет всё проверять на ней, диод на моторчик сказал цел, смотреть остальное будет.
-
Cateika
- Главный электрик форума

- Всего сообщений: 4050
- Зарегистрирован: 25.03.2013
- Вод.стаж с: 1987
- Откуда: KZ, г.Рудный
- Авто: VW Sharan, 1997, AHU, 1,9 МКПП DBW, VinDisel.
Ремонт штатного догревателя D5WZ (Шаран, Галакси, Альхамбра)
Модель котла указывать не нужно???
Он схему котла видел ???... какой нах диод он там увидел... вашпе, в шокэ...
Модель котла указывать не нужно???
-
kuzen31
- Постоялец

- Всего сообщений: 367
- Зарегистрирован: 27.07.2018
- Вод.стаж с: 2003
- Откуда: Белгород
- Авто: FORD GALAXY 2001г 1.9 TDI
Ремонт штатного догревателя D5WZ (Шаран, Галакси, Альхамбра)
Не уверен что он схему видел.чёрный что у разъёма чёрного, выпаивал он. В одну сторону звонится говорит в другую нет.
-
diesel1979
- Участник

- Всего сообщений: 67
- Зарегистрирован: 10.01.2018
- Вод.стаж с: 1997
- Авто: Ford Galaxy 1?9tdi,98,AHU
Ремонт штатного догревателя D5WZ (Шаран, Галакси, Альхамбра)
Мне кажется вот так как на фото ещё рано было делать
Отправлено спустя 8 минут 26 секунд:
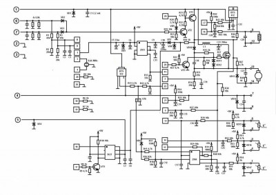
Вот d5 схема
Отправлено спустя 2 минуты 14 секунд:
А у меня сетка оказалась целая,куда дальше копать то?
Отправлено спустя 28 минут 22 секунды:
Разобрал дальше,внутри горелки тоже сетка есть,но там дырка
,похоже она прогоревшая,или так должно быть? Наверное нет
Отправлено спустя 8 минут 26 секунд:
Вот d5 схема
Отправлено спустя 2 минуты 14 секунд:
А у меня сетка оказалась целая,куда дальше копать то?
Отправлено спустя 28 минут 22 секунды:
Разобрал дальше,внутри горелки тоже сетка есть,но там дырка
-
kuzen31
- Постоялец

- Всего сообщений: 367
- Зарегистрирован: 27.07.2018
- Вод.стаж с: 2003
- Откуда: Белгород
- Авто: FORD GALAXY 2001г 1.9 TDI
Ремонт штатного догревателя D5WZ (Шаран, Галакси, Альхамбра)
diesel1979: 06 дек 2021, 15:43 Мне кажется вот так как на фото ещё рано было делать
Почему?
Отправлено спустя 30 секунд:
Почему?
-
diesel1979
- Участник

- Всего сообщений: 67
- Зарегистрирован: 10.01.2018
- Вод.стаж с: 1997
- Авто: Ford Galaxy 1?9tdi,98,AHU
Ремонт штатного догревателя D5WZ (Шаран, Галакси, Альхамбра)
Поотрывает что нибудь и потом мозги на мусорку или к тем кто их действительно чинит
-
- Похожие темы
- Ответы
- Просмотры
- Последнее сообщение
-
- 4 Ответы
- 7651 Просмотры
-
Последнее сообщение Илья_69
-
- 62 Ответы
- 29800 Просмотры
-
Последнее сообщение Max.Astr
-
- 0 Ответы
- 5471 Просмотры
-
Последнее сообщение XAHT
-
- 26 Ответы
- 19522 Просмотры
-
Последнее сообщение 11piligrim11
-
- 14 Ответы
- 15246 Просмотры
-
Последнее сообщение Mifodiy
Мобильная версия