Посторонний звук в машине на разгоне
-
Автор темыTALON44
- Специалист

- Всего сообщений: 1147
- Зарегистрирован: 15.02.2014
- Вод.стаж с: 1999
- Откуда: г.Кострома
- Авто: VW Sharan Syncro,1997г.в.,2.8, ААА, VR6, Carat, AT
- Возраст: 53
Re: Опоры и подушки крепления двигателя
Валер, чёт я не пойму если у меня подвесной, усмотрелся картинок экзиста, но так и не понял. У меня коробка CYC, автомат, полный привод. Если можно, то ткните в него, на картинке, и номерок хотелось бы. 
-
miki996
- Специалист

- Всего сообщений: 1657
- Зарегистрирован: 14.03.2013
- Откуда: Иваново
- Авто: Vw Sharan 2009 1.9L BVK+чиптюнинг. акпп GPE
- Возраст: 60
Re: Опоры и подушки крепления двигателя
где-то тут.
Добавлено спустя 2 минуты 24 секунды:
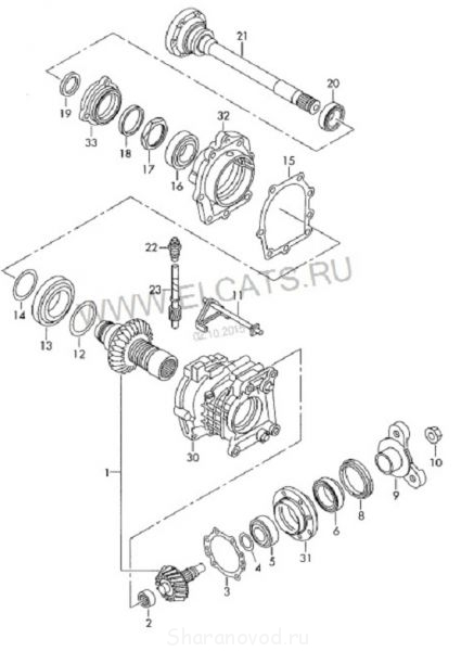
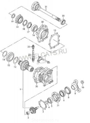
видишь к позиции 15 сразу полуось прикручивается.
Добавлено спустя 2 минуты 24 секунды:
был шарик ADY 1996
-
Автор темыTALON44
- Специалист

- Всего сообщений: 1147
- Зарегистрирован: 15.02.2014
- Вод.стаж с: 1999
- Откуда: г.Кострома
- Авто: VW Sharan Syncro,1997г.в.,2.8, ААА, VR6, Carat, AT
- Возраст: 53
Re: Опоры и подушки крепления двигателя
Спасибо, Миша! Я так и думал, что он где-то там, в главной передаче, но по кодам деталей нет информации, чё и делать? 
А может его вообще нет?
А может его вообще нет?
-
dan0107
- Постоялец

- Всего сообщений: 379
- Зарегистрирован: 05.11.2014
- Вод.стаж с: 1999
- Откуда: Минск
- Авто: Seat Alhambra, 2006, 2.0 TDI, BRT, D5ZF
- Возраст: 45
-
miki996
- Специалист

- Всего сообщений: 1657
- Зарегистрирован: 14.03.2013
- Откуда: Иваново
- Авто: Vw Sharan 2009 1.9L BVK+чиптюнинг. акпп GPE
- Возраст: 60
-
Автор темыTALON44
- Специалист

- Всего сообщений: 1147
- Зарегистрирован: 15.02.2014
- Вод.стаж с: 1999
- Откуда: г.Кострома
- Авто: VW Sharan Syncro,1997г.в.,2.8, ААА, VR6, Carat, AT
- Возраст: 53
Re: Опоры и подушки крепления двигателя
Во-во!!! И от куда это?miki996:дык номера нет. че толку от картинок.
-
miki996
- Специалист

- Всего сообщений: 1657
- Зарегистрирован: 14.03.2013
- Откуда: Иваново
- Авто: Vw Sharan 2009 1.9L BVK+чиптюнинг. акпп GPE
- Возраст: 60
Re: Опоры и подушки крепления двигателя
надо вечером станционарную етку открыть. посмотреть архивы.
может там чё капнет...
может там чё капнет...
был шарик ADY 1996
-
Автор темыTALON44
- Специалист

- Всего сообщений: 1147
- Зарегистрирован: 15.02.2014
- Вод.стаж с: 1999
- Откуда: г.Кострома
- Авто: VW Sharan Syncro,1997г.в.,2.8, ААА, VR6, Carat, AT
- Возраст: 53
-
dan0107
- Постоялец

- Всего сообщений: 379
- Зарегистрирован: 05.11.2014
- Вод.стаж с: 1999
- Откуда: Минск
- Авто: Seat Alhambra, 2006, 2.0 TDI, BRT, D5ZF
- Возраст: 45
Re: Опоры и подушки крепления двигателя
. С EXISTа
Держите номера:
ДыкTALON44:Во-во!!! И от куда это?
Держите номера:
-
Автор темыTALON44
- Специалист

- Всего сообщений: 1147
- Зарегистрирован: 15.02.2014
- Вод.стаж с: 1999
- Откуда: г.Кострома
- Авто: VW Sharan Syncro,1997г.в.,2.8, ААА, VR6, Carat, AT
- Возраст: 53
-
- Похожие темы
- Ответы
- Просмотры
- Последнее сообщение
-
- 7 Ответы
- 3347 Просмотры
-
Последнее сообщение nepcuk
-
- 66 Ответы
- 45153 Просмотры
-
Последнее сообщение SHARAN 32rus
-
- 9 Ответы
- 3761 Просмотры
-
Последнее сообщение sborbobr
-
- 10 Ответы
- 23964 Просмотры
-
Последнее сообщение 11piligrim11
-
-
непонятный звук (шипение под топедо)
greg98 » » в форуме Система отопления и кондиционирования салона - 20 Ответы
- 14695 Просмотры
-
Последнее сообщение Ursinoid
-
Мобильная версия
