Ну распиши поподробнее, а то можно, но не скажу как
Редуктор
-
Pivovar
- Бывалый

- Всего сообщений: 726
- Зарегистрирован: 26.08.2013
- Вод.стаж с: 1995
- Откуда: Гомель
- Авто: SEAT ALHAMBRA 1996 2.0ADY мкпп
- Возраст: 51
-
31rus
- Постоялец

- Всего сообщений: 466
- Зарегистрирован: 23.12.2017
- Вод.стаж с: 1990
- Откуда: Белгородская область
- Авто: vw sharan 1997 afn
- Возраст: 52
Re: Редуктор
я делал сам,пока на проверке,второй месяц нормально. если одно колесо буксует 5 см сразу включается второе в работу. в итоге букса практически нет с хорошей резиной. источник брал с разных мест и дорабатывал,пока еще есть над чем работать,но в стоке может каждый поставить
https://an.yandex.ru/count/VGQUO7Q4MUq5 ... tat-id=227&
https://an.yandex.ru/count/VGQUO7Q4MUq5 ... tat-id=227&
Не тяжкий труд, а мысли ход, определяют ваш доход!
-
macsafe
- Специалист

- Всего сообщений: 1322
- Зарегистрирован: 22.05.2014
- Вод.стаж с: 2000
- Откуда: Москва
- Авто: VW Sharan ASZ 2004, кожа на ручке, 160 кобылиц
- Возраст: 46
Re: Редуктор
По ссылке не увидел ничего на шарик. Только колхозить?
Фото установленного девайса нет?
Фото установленного девайса нет?
-
31rus
- Постоялец

- Всего сообщений: 466
- Зарегистрирован: 23.12.2017
- Вод.стаж с: 1990
- Откуда: Белгородская область
- Авто: vw sharan 1997 afn
- Возраст: 52
Re: Редуктор
ссылка просто чтобы понять о чем я говорю. фото нет а фирм и колхозников полно,если есть интерес-можно найти.
я просто предложил как вариант,просто и эффективно
я просто предложил как вариант,просто и эффективно
Не тяжкий труд, а мысли ход, определяют ваш доход!
-
macsafe
- Специалист

- Всего сообщений: 1322
- Зарегистрирован: 22.05.2014
- Вод.стаж с: 2000
- Откуда: Москва
- Авто: VW Sharan ASZ 2004, кожа на ручке, 160 кобылиц
- Возраст: 46
Re: Редуктор
У меня ESP есть, по-идее электронный аналог. Только восстановить надо- лет 6 не работает, на датчик положения руля ругается. Или механическая лучше?
-
andrey_kmv
- Специалист

- Всего сообщений: 1662
- Зарегистрирован: 15.01.2016
- Вод.стаж с: 1993
- Откуда: Ставропольский край
- Авто: Seat Alhambra, 2006, ATM, МКПП, ГБО BRC
- Возраст: 51
Re: Редуктор
macsafe, Нифига это не аналог, эта фича просто притормаживает буксующее колесо и придушивает двигатель, эффективна при движении на скользской дороге, на бездорожье больше мешает. Зимой, если отключаю исп, не могу без сноса морды тронуться в горку с вывернутыми колесами, да и по трассе заснеженной едешь гораздо уверенней.
-
Aka777
- Постоялец

- Всего сообщений: 468
- Зарегистрирован: 28.10.2016
- Вод.стаж с: 1998
- Откуда: Киев
- Авто: Vw sharan vr6 syncro 1998 январь инсайд
- Возраст: 46
Re: Редуктор
Автор темы, давай не робей, все можно если руки и голова на месте. РЕДУКТОР вместе с остальным навесным прикручивать!!!
Я вот прикручиваю на то что и немцы представить неммогли, - и ты сможешь!!!
Отправлено спустя 7 минут 54 секунды:
Я вот прикручиваю на то что и немцы представить неммогли, - и ты сможешь!!!
Отправлено спустя 7 минут 54 секунды:
А каким образом 5см меряли? Анекдот просто вспомнил "коротко о себе --22см". Проходил я на своем опыте блокировки дифференциала, ефект есть - но результат не достигнут в отличие от синхро. Машинка не прыгает??? Как на тапок давишь???31rus: я делал сам,пока на проверке,второй месяц нормально. если одно колесо буксует 5 см сразу включается второе в работу. в итоге букса практически нет с хорошей резиной. источник брал с разных мест и дорабатывал,пока еще есть над чем работать,но в стоке может каждый поставить
https://an.yandex.ru/count/VGQUO7Q4MUq5 ... tat-id=227&
СПИРТ - альтернативное топливо?
-
Artem79
- Участник

- Всего сообщений: 70
- Зарегистрирован: 21.03.2018
- Вод.стаж с: 1997
- Откуда: Новосибирск
- Авто: VW Sharan, 1998, 2.8, AAA, Syncro
Редуктор
Доброго времени суток!
Ставится ли стопорное кольцо и его артикул, фото по возможности?
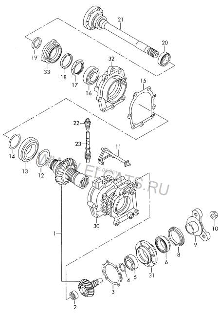
На фотографиях раздатка, вал (21) с запрессованным подшипником (20) и крышка(33), куда вставляется данный подшипник, с канавкой, куда вероятно ставится стопорное кольцо. Стопорного кольца по факту не было, подшипник с валом гуляли. В схемах стопорное кольцо отсутствует, последним идет подшипник (20). Заранее благодарен за помощь!
Ставится ли стопорное кольцо и его артикул, фото по возможности?
На фотографиях раздатка, вал (21) с запрессованным подшипником (20) и крышка(33), куда вставляется данный подшипник, с канавкой, куда вероятно ставится стопорное кольцо. Стопорного кольца по факту не было, подшипник с валом гуляли. В схемах стопорное кольцо отсутствует, последним идет подшипник (20). Заранее благодарен за помощь!
-
11piligrim11
- Супермодератор

- Всего сообщений: 7544
- Зарегистрирован: 12.03.2013
- Вод.стаж с: 1995
- Откуда: г.Минск
- Авто: VW Sharan, 1.8 20V Turbo, AWC 2001 г.в. Мешалка
- Возраст: 48
Редуктор
Судя по всему кольцо должно было быть. Но, если подшипник в посадочном уже гулял, то сторон тут уже не спасёт. Вероятно его там уже провернуло. В этом случае необходимо менять всю крышку.
Ни что не радует так, как то, что сделано собственными руками.
11piligrim11
11piligrim11
-
- Похожие темы
- Ответы
- Просмотры
- Последнее сообщение
-
- 3 Ответы
- 3486 Просмотры
-
Последнее сообщение ульянеев саша
-
- 3 Ответы
- 4191 Просмотры
-
Последнее сообщение Invictus
Мобильная версия