ремонт ady2.0

Аватара пользователя
Cateika
Главный электрик форума
Главный электрик форума
Всего сообщений: 4042
Зарегистрирован: 25.03.2013
Лучшие Ответы: 3
Вод.стаж с: 1987
Откуда: KZ, г.Рудный
Авто: VW Sharan, 1997, AHU, 1,9 МКПП DBW, VinDisel.
 Ремонт ady2.0

Сообщение Cateika »

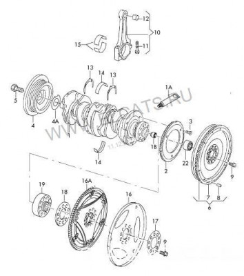
Deni: 11 дек 2022, 17:47 ...мне полукольца нужны...
Сорян, понял о чём речь... упорные полукольца...
Deni: 11 дек 2022, 17:47 ...у меня их только две а эгзист выдает четыре щтуки, я подумал если закажу привезут неизвестно что...
Х/з, однако и по т.Эльзе их 4 штуки... два с одним выступом, два с двумя выступами... или с внешним выступом и с внутренним, или таки, все одинаковые, х/з...одна пара ставиться в блок, вторая - в бугель... х/з...
ремонт ady2.0 - Полукольца.jpg
Реклама
Deni
Постоялец
Постоялец
Всего сообщений: 410
Зарегистрирован: 25.01.2018
Вод.стаж с: 1992
Откуда: Грозный
Авто: Sharan. 1998. ADY. DBU
Возраст: 55
 Ремонт ady2.0

Сообщение Deni »

эти полукольца у меня только в бугеле, в блоке их нет и более того ножки(концы) этих полуколец входят в блок,выступают за бугель. я на емехсе смог пробить вин номер авто с которого сняли этот движок, - там выдают номер этих полуколец 022105635 это "точно" они но пробиваются для движков AAA,AYL,AMY и тд, может в 95году на ady ставили именно эти полукольца? :(

Отправлено спустя 1 минуту 37 секунд:
ремонт ady2.0
13 позиция
13 позиция
Deni
Постоялец
Постоялец
Всего сообщений: 410
Зарегистрирован: 25.01.2018
Вод.стаж с: 1992
Откуда: Грозный
Авто: Sharan. 1998. ADY. DBU
Возраст: 55
 Ремонт ady2.0

Сообщение Deni »

заказал я аналоги этих упорных полуколец - кольбеншмидт 78635600(4 щтуки, подходят). потом стал упорно теребить гугл-шейх и нашел инфу на драйве что по етке пробивается номер этих полуколец - 026105635A - хотя на самих полукольцах выбито только 026635A без "105". Итог: "истинный" номер этих полуколец 026 105 635 A - 1168рублей по VIP-уровню цен. но можно и аналоги если хорошие!

Отправлено спустя 4 минуты 48 секунд:
ремонт ady2.0
источник с драйва https://www.drive2.ru/l/8466206/
Ответить Пред. темаСлед. тема
  • Похожие темы
    Ответы
    Просмотры
    Последнее сообщение
  • Ремонт ABS
    olegg96743 » » в форуме Электрика
    10 Ответы
    14671 Просмотры
    Последнее сообщение Митя Днепровский
  • Ремонт двигателя AFN
    Ursinoid » » в форуме Двигатель
    48 Ответы
    31830 Просмотры
    Последнее сообщение Yurec66
  • Ремонт разъема
    stepanstepan » » в форуме Электрооборудование кузова
    3 Ответы
    6261 Просмотры
    Последнее сообщение 11piligrim11
  • Ремонт квартир.
    promalpinist » » в форуме Кто чем может быть полезен
    35 Ответы
    23862 Просмотры
    Последнее сообщение евгенгий
  • Диагностика, ремонт
    2 Ответы
    4511 Просмотры
    Последнее сообщение 11piligrim11

Вернуться в «Двигатель»